Вернуться на главную

Вернуться   Форум Клуба Рено Дастер / Renault Duster Club > Общая информация > Бортовые журналы / Отзывы владельцев

Важная информация


Ответ
 
Опции темы Поиск в этой теме Опции просмотра
Старый 13.12.2018, 22:16   #1
dg972
Член клуба
Член клуба
 
Аватар для dg972
 
Имя: Дмитрий
Регистрация: 23.12.2012
Адрес: Москва
Авто: Privilege 4x4 2.0 МКП6. Чип АДАКТ. Коричневый орехх. 2012 гр.
Сообщений: 17,178
dg972 dg972 dg972 dg972 dg972 dg972 dg972 dg972 dg972 dg972 dg972
По умолчанию

Куплен датчик давления ГУР 497610321R за 706 рублей.
Пока полежит в багажнике вместе с ключами на 12 и 21...
А вот Elf 156908 Масло трансмиссионное синтетическое "RENAULTMATIC D3 SYN", 1л - временно отсутствует в продаже магазина exist.
__________________
"во время войны нельзя говорить плохо о своих, НИКОГДА" ©

Кто понял жизнь тот больше не спешит,
смакует каждый миг и наблюдает.

Мой бортовой журнал. Новое сообщение.
....
dg972 вне форума   Вверх Ответить с цитированием
Пользователь сказал cпасибо:
Это может быть интересно
Старый 13.12.2018, 23:03   #2
Sane
Местный
 
Аватар для Sane
 
Регистрация: 19.12.2012
Адрес: 43 регион
Авто: Дастер чОрный 4х4 2л.
Сообщений: 884
Sane Sane Sane Sane Sane
По умолчанию

Цитата:
Сообщение от dg972 Посмотреть сообщение
А вот Elf 156908 Масло трансмиссионное синтетическое "RENAULTMATIC D3 SYN", 1л - временно отсутствует в продаже магазина exist.
А зачем .. "SYN" заливать, у нас минералка залита, тогда уж просто RENAULTMATIC D3 без SYN.
Sane вне форума   Вверх Ответить с цитированием
Пользователь сказал cпасибо:
Старый 14.12.2018, 00:24   #3
dg972
Член клуба
Член клуба
 
Аватар для dg972
 
Имя: Дмитрий
Регистрация: 23.12.2012
Адрес: Москва
Авто: Privilege 4x4 2.0 МКП6. Чип АДАКТ. Коричневый орехх. 2012 гр.
Сообщений: 17,178
dg972 dg972 dg972 dg972 dg972 dg972 dg972 dg972 dg972 dg972 dg972
По умолчанию

Уверен? Минералка G3, а D3 это синтетика.
http://duster-clubs.ru/forum/showthread.php?t=209
__________________
"во время войны нельзя говорить плохо о своих, НИКОГДА" ©

Кто понял жизнь тот больше не спешит,
смакует каждый миг и наблюдает.

Мой бортовой журнал. Новое сообщение.
....

Последний раз редактировалось dg972; 14.12.2018 в 00:28.
dg972 вне форума   Вверх Ответить с цитированием
Старый 14.12.2018, 09:03   #4
Sane
Местный
 
Аватар для Sane
 
Регистрация: 19.12.2012
Адрес: 43 регион
Авто: Дастер чОрный 4х4 2л.
Сообщений: 884
Sane Sane Sane Sane Sane
По умолчанию

Цитата:
Сообщение от dg972 Посмотреть сообщение
Уверен? Минералка G3, а D3 это синтетика.
У нас вообще то прописан, и заявлен в техруководстве D2, остальное от лукавого. Зачем тебе лить синьку в Москва..
Миниатюры
Нажмите на изображение для увеличения
Название: Масло гур.png1.png
Просмотров: 1309
Размер:	41.4 Кб
ID:	81313  
Sane вне форума   Вверх Ответить с цитированием
Старый 14.12.2018, 09:25   #5
Sane
Местный
 
Аватар для Sane
 
Регистрация: 19.12.2012
Адрес: 43 регион
Авто: Дастер чОрный 4х4 2л.
Сообщений: 884
Sane Sane Sane Sane Sane
По умолчанию

Цитата:
Сообщение от dg972 Посмотреть сообщение
А вот Elf 156908 Масло трансмиссионное синтетическое "RENAULTMATIC D3 SYN", 1л - временно отсутствует в продаже магазина exist.
А если уж сильно хотца эту жидкость, то, вот, ищи её по этому референсу 194754, в емексе её дофига.
Sane вне форума   Вверх Ответить с цитированием
Старый 14.12.2018, 10:18   #6
Подводник
Член клуба
Член клуба
 
Аватар для Подводник
 
Имя: Артем
Регистрация: 01.11.2013
Адрес: Севастополь/Москва
Авто: Privilege 2.0 4x4+ESP
Сообщений: 8,683
Подводник Подводник Подводник Подводник Подводник Подводник Подводник Подводник Подводник Подводник Подводник
По умолчанию

У нас вроде минеральное G3, по крайней мере я после замены трубки такое залил и лит еще остался.
Когда трубка текла, позвонил знакомому мастеру, спросил что купить из того что есть в маленьком провинциальном магазине. Ответ был "Минералку любую для гура".

Передние втулки надо бы тоже заменить, что-то на год их не хватило, уже износ большой и стук пошел.

Последний раз редактировалось Подводник; 14.12.2018 в 10:20.
Подводник вне форума   Вверх Ответить с цитированием
Пользователь сказал cпасибо:
Старый 14.12.2018, 12:45   #7
dg972
Член клуба
Член клуба
 
Аватар для dg972
 
Имя: Дмитрий
Регистрация: 23.12.2012
Адрес: Москва
Авто: Privilege 4x4 2.0 МКП6. Чип АДАКТ. Коричневый орехх. 2012 гр.
Сообщений: 17,178
dg972 dg972 dg972 dg972 dg972 dg972 dg972 dg972 dg972 dg972 dg972
По умолчанию

Так, мужики, озадачили. На даче стоит початая банка, не помню какая.
__________________
"во время войны нельзя говорить плохо о своих, НИКОГДА" ©

Кто понял жизнь тот больше не спешит,
смакует каждый миг и наблюдает.

Мой бортовой журнал. Новое сообщение.
....
dg972 вне форума   Вверх Ответить с цитированием
Пользователь сказал cпасибо:
Старый 14.12.2018, 12:54   #8
dg972
Член клуба
Член клуба
 
Аватар для dg972
 
Имя: Дмитрий
Регистрация: 23.12.2012
Адрес: Москва
Авто: Privilege 4x4 2.0 МКП6. Чип АДАКТ. Коричневый орехх. 2012 гр.
Сообщений: 17,178
dg972 dg972 dg972 dg972 dg972 dg972 dg972 dg972 dg972 dg972 dg972
По умолчанию

Sane, спасибо что влез, Артем, тебе то же респект.
Цитата:
Сообщение от dg972 Посмотреть сообщение
Заменили масло в ГУРе. Залито Elf RENAULTMATIC G3.
__________________
"во время войны нельзя говорить плохо о своих, НИКОГДА" ©

Кто понял жизнь тот больше не спешит,
смакует каждый миг и наблюдает.

Мой бортовой журнал. Новое сообщение.
....
dg972 вне форума   Вверх Ответить с цитированием
3 пользователя(ей) сказали cпасибо:
Старый 02.03.2019, 20:02   #9
dg972
Член клуба
Член клуба
 
Аватар для dg972
 
Имя: Дмитрий
Регистрация: 23.12.2012
Адрес: Москва
Авто: Privilege 4x4 2.0 МКП6. Чип АДАКТ. Коричневый орехх. 2012 гр.
Сообщений: 17,178
dg972 dg972 dg972 dg972 dg972 dg972 dg972 dg972 dg972 dg972 dg972
По умолчанию Пробег 71500 6,5 года

Машин плохо прогревается. На холостых, при включенной печке и околонулевых температурах, две палочки появляются минут через 20 работы. Вангую, что термостат заклинило в открытом положении.

Сечет глушак.

На расход не смотрю.
__________________
"во время войны нельзя говорить плохо о своих, НИКОГДА" ©

Кто понял жизнь тот больше не спешит,
смакует каждый миг и наблюдает.

Мой бортовой журнал. Новое сообщение.
....
dg972 вне форума   Вверх Ответить с цитированием
Пользователь сказал cпасибо:
Старый 02.03.2019, 20:21   #10
More
Супер-модератор
Член клуба
 
Аватар для More
 
Имя: Андрей
Регистрация: 14.12.2012
Адрес: В дебрях Смоленщины
Авто: НИВА Travel '22 "Барышня крестьянка" & ВАЗ-21061 '94 "Шура"
Сообщений: 33,266
More More More More More More More More More More More
По умолчанию

Цитата:
Сообщение от dg972 Посмотреть сообщение
Вангую, что термостат заклинило в открытом положении.
100%. У меня была ровно такая фигня. Езжай к Кубику, там пролечат.
С тех пор как они мне термос поменяли, проблем не было.
__________________
За базаром не следит, говорит не правильно, шатает скрепы.(с)
Знание русского языка это не возможность, а привилегия.(с)
More вне форума   Вверх Ответить с цитированием
3 пользователя(ей) сказали cпасибо:
Старый 16.03.2019, 19:18   #11
dg972
Член клуба
Член клуба
 
Аватар для dg972
 
Имя: Дмитрий
Регистрация: 23.12.2012
Адрес: Москва
Авто: Privilege 4x4 2.0 МКП6. Чип АДАКТ. Коричневый орехх. 2012 гр.
Сообщений: 17,178
dg972 dg972 dg972 dg972 dg972 dg972 dg972 dg972 dg972 dg972 dg972
По умолчанию

Цитата:
Сообщение от dg972 Посмотреть сообщение
Сечет глушак.
Больше не сечет.

Вид сзади.



Дешево и сердито, но... не на долго.



Срезанный резонатор. Вид спереди.



Можно было вварить кусок трубы?




В Южном Порту был куплен "Стронберг" на трубу 45мм и длиной 500мм.
Штатный резонатор имеет длину 600мм, поэтому пришлось вваривать еще вставку 100мм.
Труба после резонатора - гнилая. Не факт, что ее хватит хотябы на два года.

Также был замен датчик давления ГУР Renault 49 76 103 24R . Датчик можно заменить сверху. Доливать масло после замены не потребовалось.
Миниатюры
Нажмите на изображение для увеличения
Название: 20190316_092743.jpg
Просмотров: 2841
Размер:	67.7 Кб
ID:	82723   Нажмите на изображение для увеличения
Название: 20190316_103843.jpg
Просмотров: 2725
Размер:	73.4 Кб
ID:	82724   Нажмите на изображение для увеличения
Название: 20190316_103959.jpg
Просмотров: 2744
Размер:	42.0 Кб
ID:	82725   Нажмите на изображение для увеличения
Название: 20190316_112237.jpg
Просмотров: 4954
Размер:	151.9 Кб
ID:	82726  
__________________
"во время войны нельзя говорить плохо о своих, НИКОГДА" ©

Кто понял жизнь тот больше не спешит,
смакует каждый миг и наблюдает.

Мой бортовой журнал. Новое сообщение.
....

Последний раз редактировалось dg972; 16.03.2019 в 21:30.
dg972 вне форума   Вверх Ответить с цитированием
3 пользователя(ей) сказали cпасибо:
Старый 16.03.2019, 20:24   #12
More
Супер-модератор
Член клуба
 
Аватар для More
 
Имя: Андрей
Регистрация: 14.12.2012
Адрес: В дебрях Смоленщины
Авто: НИВА Travel '22 "Барышня крестьянка" & ВАЗ-21061 '94 "Шура"
Сообщений: 33,266
More More More More More More More More More More More
По умолчанию

Почём банкет?
__________________
За базаром не следит, говорит не правильно, шатает скрепы.(с)
Знание русского языка это не возможность, а привилегия.(с)
More вне форума   Вверх Ответить с цитированием
Старый 16.03.2019, 21:29   #13
dg972
Член клуба
Член клуба
 
Аватар для dg972
 
Имя: Дмитрий
Регистрация: 23.12.2012
Адрес: Москва
Авто: Privilege 4x4 2.0 МКП6. Чип АДАКТ. Коричневый орехх. 2012 гр.
Сообщений: 17,178
dg972 dg972 dg972 dg972 dg972 dg972 dg972 dg972 dg972 dg972 dg972
По умолчанию

3806р
__________________
"во время войны нельзя говорить плохо о своих, НИКОГДА" ©

Кто понял жизнь тот больше не спешит,
смакует каждый миг и наблюдает.

Мой бортовой журнал. Новое сообщение.
....

Последний раз редактировалось dg972; 16.03.2019 в 21:32.
dg972 вне форума   Вверх Ответить с цитированием
Пользователь сказал cпасибо:
Старый 14.04.2019, 17:55   #14
dg972
Член клуба
Член клуба
 
Аватар для dg972
 
Имя: Дмитрий
Регистрация: 23.12.2012
Адрес: Москва
Авто: Privilege 4x4 2.0 МКП6. Чип АДАКТ. Коричневый орехх. 2012 гр.
Сообщений: 17,178
dg972 dg972 dg972 dg972 dg972 dg972 dg972 dg972 dg972 dg972 dg972
По умолчанию Пробег 72300 Переобулся

Переобулся на лето, а вечером пошел снег...
Заодно заменил диски и колодки. При замене дисков, колодки меняются не отворачивая шестигранники.
Крепление суппорта - болты под ключ на 18.
Крепление диска - болты под торкс на 50.
Понадобились еще молоток, литол, щетка со стальной щетиной и домкрат.

Otto Zimmermann 24914.180.1
Колодки тормозные дисковые, комплект - 2 686 ₽

Otto Zimmermann 470.2433.20
Диск тормозной вентилируемый, "Coat Z" - 5 606 ₽

Очень сложно смыть антикор с рабочих поверхностей дисков. Пробовали всё, что попалось под руку: керосин, бензин, Уайт-спирит, растворитель. Показалось, что больше эффекта от растворителя 646.

Колодки FRIXA, установленные 18300 км назад, практически не износились.

На зимней резине количество шипов не изменилось.
__________________
"во время войны нельзя говорить плохо о своих, НИКОГДА" ©

Кто понял жизнь тот больше не спешит,
смакует каждый миг и наблюдает.

Мой бортовой журнал. Новое сообщение.
....

Последний раз редактировалось dg972; 14.04.2019 в 18:02.
dg972 вне форума   Вверх Ответить с цитированием
Старый 22.04.2019, 00:15   #15
dg972
Член клуба
Член клуба
 
Аватар для dg972
 
Имя: Дмитрий
Регистрация: 23.12.2012
Адрес: Москва
Авто: Privilege 4x4 2.0 МКП6. Чип АДАКТ. Коричневый орехх. 2012 гр.
Сообщений: 17,178
dg972 dg972 dg972 dg972 dg972 dg972 dg972 dg972 dg972 dg972 dg972
По умолчанию

Цитата:
Сообщение от dg972 Посмотреть сообщение
Otto Zimmermann
Колодки и диски... тормозиться очень приятно и внятно. Фрикса со штатными дисками не идет ни в какое сравнение.
Комплект Otto Zimmermann рекомендую всем.
Но присутствует косячёк в тормозной системе - тянет влево.
__________________
"во время войны нельзя говорить плохо о своих, НИКОГДА" ©

Кто понял жизнь тот больше не спешит,
смакует каждый миг и наблюдает.

Мой бортовой журнал. Новое сообщение.
....
dg972 вне форума   Вверх Ответить с цитированием
3 пользователя(ей) сказали cпасибо:
Старый 05.05.2019, 23:32   #16
dg972
Член клуба
Член клуба
 
Аватар для dg972
 
Имя: Дмитрий
Регистрация: 23.12.2012
Адрес: Москва
Авто: Privilege 4x4 2.0 МКП6. Чип АДАКТ. Коричневый орехх. 2012 гр.
Сообщений: 17,178
dg972 dg972 dg972 dg972 dg972 dg972 dg972 dg972 dg972 dg972 dg972
По умолчанию Доводчик стекол







В посте #318, я рассказывал о переделки ЭСП на работу без зажигания, на прямую, от АКБ. Единственным ограничением служит реле разгрузки, отключающее привода после 30 минут бездействия автомобиля.
В водительскую дверь инсталлирован блок закрытия стекол (доводчик). При постановке на охрану он проверяет не поднятые стекла и закрывает их. Огромная благодарность нашему коллеге из Питера Safpal за помощь в создании электрической принципиальной схемы стеклоподъемников на московский Дастер. Благодаря ему, сэкономлено много времени на выявление нужных проводов.
Как любят писать на драйве - затрачено пол дня работы с перекурами и 0 рублей.
Это должно было случиться еще год назад. На Алиэкспессе был заказан доводчик. Как обещал продавец, этот доводчик для любых автомобилей с четырьмя дверьми. Блок приехал и не захотел работать со схемой, где управление идет по минусу. Я открыл спор и вернул бабки. Затем началась долгая и нудная переписка с продаванами, в ходе которой выяснялось, что многие даже не понимают что именно они продают. Наконец был выявлен доводчик, очередной доводчик, для любых автомобилей с 4 дверьми.

По прибытию посылки, выяснялось, что этот блочёк... для двух дверей. К счастью, вскрытие показало, что достаточно в него впаять еще два реле и будет необходимый для меня девайс. Был открыт спор и выигран. Деньги я получил назад, впаял два реле, от старого магнитофонного разъёма добавил недостающие концы и вуаля!

Вот этот доводчик будет должен работать на дорестайлинговых машинах.

Схема правильного доводчика:


На схеме есть три коротких провода, это и есть возможность выбора управления мотором по позитивному или негативному проводу.

Вот на этом фото, в жгуте, видны три кончика с фишками на концах:


Это то, что нужно.
Ссылка на еще один правильный девайс: http://buyeasy.by/cashback/view/pbsu...d-021b6f2aed58

Всем удачи!
Миниатюры
Нажмите на изображение для увеличения
Название: IMG_20190503_135435.jpg
Просмотров: 2279
Размер:	3.51 Мб
ID:	83243   Нажмите на изображение для увеличения
Название: IMG_20190503_135514.jpg
Просмотров: 2261
Размер:	1.65 Мб
ID:	83244   Нажмите на изображение для увеличения
Название: Жгут.jpg
Просмотров: 2077
Размер:	60.1 Кб
ID:	83245   Нажмите на изображение для увеличения
Название: Схема доводчика.jpg
Просмотров: 2105
Размер:	101.8 Кб
ID:	83246  
__________________
"во время войны нельзя говорить плохо о своих, НИКОГДА" ©

Кто понял жизнь тот больше не спешит,
смакует каждый миг и наблюдает.

Мой бортовой журнал. Новое сообщение.
....

Последний раз редактировалось dg972; 29.05.2019 в 13:50.
dg972 вне форума   Вверх Ответить с цитированием
8 пользователя(ей) сказали cпасибо:
Старый 13.05.2019, 21:35   #17
dg972
Член клуба
Член клуба
 
Аватар для dg972
 
Имя: Дмитрий
Регистрация: 23.12.2012
Адрес: Москва
Авто: Privilege 4x4 2.0 МКП6. Чип АДАКТ. Коричневый орехх. 2012 гр.
Сообщений: 17,178
dg972 dg972 dg972 dg972 dg972 dg972 dg972 dg972 dg972 dg972 dg972
По умолчанию

Цитата:
Сообщение от dg972 Посмотреть сообщение
В посте #318, я рассказывал о переделки ЭСП на работу без зажигания, на прямую, от АКБ. Единственным ограничением служит реле разгрузки, отключающее привода после 30 минут бездействия автомобиля.
При постановке на охрану таймер перезапускается и стекла поднимаются. Так что нет никакого ограничения.
__________________
"во время войны нельзя говорить плохо о своих, НИКОГДА" ©

Кто понял жизнь тот больше не спешит,
смакует каждый миг и наблюдает.

Мой бортовой журнал. Новое сообщение.
....
dg972 вне форума   Вверх Ответить с цитированием
Старый 13.05.2019, 21:35   #18
dg972
Член клуба
Член клуба
 
Аватар для dg972
 
Имя: Дмитрий
Регистрация: 23.12.2012
Адрес: Москва
Авто: Privilege 4x4 2.0 МКП6. Чип АДАКТ. Коричневый орехх. 2012 гр.
Сообщений: 17,178
dg972 dg972 dg972 dg972 dg972 dg972 dg972 dg972 dg972 dg972 dg972
По умолчанию Термостат. Замена.

Пробег 73100.
Заменен термостат. Установлен
Vernet TH6047.89J
Термостат c прокладкой 482 ₽.

Для замены надо снять воздуховод до воздушного фильтра, кронштейны крепления патрубков системы охлаждения. Понадобился инструмент: головки на 8 и 10 мм от "маленького" набора, трещотка и пара удлинителей к ней.
При замене потерял около литра антифриза. Главное сначала одеть прокладку на новый термостат и быстро вынуть старый и вложить новый.
Герметиком не промазывал, вроде не течет.
Собрал, долил антифриз и стал прогревать до включения вентилятора. Прогревал без воздуховода. В диапазоне 2,5-3 тыс. об. была вибрация по кузову. Уже после того как воздуховод был установлен на свое место и машина прошла километров 10, зажегся желтый индикатор неисправности электронных систем. На поведении машины это ни как не сказалось. Еще через километров 5 - лампа погасла.
__________________
"во время войны нельзя говорить плохо о своих, НИКОГДА" ©

Кто понял жизнь тот больше не спешит,
смакует каждый миг и наблюдает.

Мой бортовой журнал. Новое сообщение.
....

Последний раз редактировалось dg972; 13.05.2019 в 21:53.
dg972 вне форума   Вверх Ответить с цитированием
5 пользователя(ей) сказали cпасибо:
Старый 24.06.2019, 11:14   #19
dg972
Член клуба
Член клуба
 
Аватар для dg972
 
Имя: Дмитрий
Регистрация: 23.12.2012
Адрес: Москва
Авто: Privilege 4x4 2.0 МКП6. Чип АДАКТ. Коричневый орехх. 2012 гр.
Сообщений: 17,178
dg972 dg972 dg972 dg972 dg972 dg972 dg972 dg972 dg972 dg972 dg972
По умолчанию

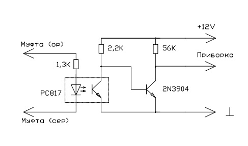
Давно уже пытался к муфте приколхозить светодиод. Не особо прокатывало: то индикация не корректная, то блок ETC в аварию выпал...
Оптрон спас ситуацию.

На приборке, в правом нижнем углу есть незадействованные индикаторы: красный треугольник с машинкой внутри (пьяная дорога) ESP и "распылитель".





Шкурка от дизеля (так, для понимая).

Поимев опыт работа с SMD компонентами, решил самостоятельно впаять светодиоды. Разобрал приборку. Как это делается - тут. Долго не мог снять стрелки - сидят очень плотно. За консультацией звонил коллеге Valera . Выяснилось, что на плате отсутствует светик только на "распылителе", на "пьяной дороге" - стоит, но красного цвета.



И, если "распылитель" идет напрямую катодом на серый разъем, третий с права верхний контакт фишки провода, если смотреть со стороны контактов, то "пьяная дорога" управляется через транзистор. База транзистора выходит на серую фишку, крайний правый нижний контакт этого же серого разъема и там есть провод - серый. Куда он идет в схему, я разбираться не стал. Не стал и перепаивать схему приборки, резанул провод и вывел к переключателю управления задним приводом. Заменил светодиод на желтый и запаял светик на "распылитель". Это так, задел на будущее.
Слева, в ногах водителя подключился к оранжевому и серому проводам управления муфтой.
Схемка согласования с приборкой - через оптрон.






Что показал индикатор? Да, в 2WD задняя ось подключается. Да, в 4WD задняя ось отключается.
Думаю, как кино снять...
Миниатюры
Нажмите на изображение для увеличения
Название: Схемка.jpg
Просмотров: 1216
Размер:	18.7 Кб
ID:	83825   Нажмите на изображение для увеличения
Название: 20190623_190143-1.jpg
Просмотров: 1235
Размер:	61.6 Кб
ID:	83826   Нажмите на изображение для увеличения
Название: 20190623_190132-1.jpg
Просмотров: 1256
Размер:	85.7 Кб
ID:	83827  
__________________
"во время войны нельзя говорить плохо о своих, НИКОГДА" ©

Кто понял жизнь тот больше не спешит,
смакует каждый миг и наблюдает.

Мой бортовой журнал. Новое сообщение.
....
dg972 вне форума   Вверх Ответить с цитированием
3 пользователя(ей) сказали cпасибо:
Старый 14.07.2019, 20:20   #20
dg972
Член клуба
Член клуба
 
Аватар для dg972
 
Имя: Дмитрий
Регистрация: 23.12.2012
Адрес: Москва
Авто: Privilege 4x4 2.0 МКП6. Чип АДАКТ. Коричневый орехх. 2012 гр.
Сообщений: 17,178
dg972 dg972 dg972 dg972 dg972 dg972 dg972 dg972 dg972 dg972 dg972
По умолчанию

Глючит концевик двери 7700427640, вроде как...
Ценник:
exist.ru - Renault 77 00 427 640 Выключатель концевой 4 дн. шт. 299 ₽
emex.ru - Renault 77 00 427 640 6 дн. 296 ₽
autodoc.ru - RENAULT 7700427640 - Выключатель 535.00
535 рублей, Карл! http://www.duster-clubs.ru/forum/sho...F2%EE%E4%EE%EA И ето со скидкой?
__________________
"во время войны нельзя говорить плохо о своих, НИКОГДА" ©

Кто понял жизнь тот больше не спешит,
смакует каждый миг и наблюдает.

Мой бортовой журнал. Новое сообщение.
....

Последний раз редактировалось dg972; 13.08.2019 в 21:37.
dg972 вне форума   Вверх Ответить с цитированием
Ответ

Метки
бортовой журнал, duster, омывателя, освещение, салона, фары, электрика, эсп, дастер, датчик, доработки


Ваши права в разделе
Вы не можете создавать новые темы
Вы не можете отвечать в темах
Вы не можете прикреплять вложения
Вы не можете редактировать свои сообщения

BB коды Вкл.
Смайлы Вкл.
[IMG] код Вкл.
HTML код Выкл.

Быстрый переход


Текущее время: 02:36. Часовой пояс GMT +3.
Powered by vBulletin® Version 3.8.7
Copyright ©2000 - 2025, vBulletin Solutions, Inc. Перевод: zCarot
vB.Sponsors

Яндекс.Метрика