Вернуться на главную

Вернуться   Форум Клуба Рено Дастер / Renault Duster Club > Техническая информация Рено Дастер > Трансмиссия

Важная информация


Ответ
 
Опции темы Поиск в этой теме Опции просмотра
Старый 29.01.2013, 10:56   #1
dg972
Член клуба
Член клуба
 
Аватар для dg972
 
Имя: Дмитрий
Регистрация: 23.12.2012
Адрес: Москва
Авто: Privilege 4x4 2.0 МКП6. Чип АДАКТ. Коричневый орехх. 2012 гр.
Сообщений: 17,178
dg972 dg972 dg972 dg972 dg972 dg972 dg972 dg972 dg972 dg972 dg972
По умолчанию Полный привод - система ЕТС.

Инфа из мауала для сервисменов.

ETC: Обеспечивает устойчивость автомобиля в соответствии с условиями движения.
Переключатель ETC:
Переключатель ETC служит для взаимодействия водителя с системой распределения крутящего момента. С его помощью можно выбрать режимы ETC: ПЕРЕДНИЙ ПРИВОД, АВТОМАТИЧЕСКИЙ ПОЛНЫЙ ПРИВОД, БЛОКИРУЕМЫЙ ПОЛНЫЙ ПРИВОД.
Тут все понятно.

Выключатель стоп-сигнала:
Этот датчик сообщает системе ETC, что водитель выполняет торможение таким образом, что системе ETC необходимо уменьшить крутящий момент для улучшения устойчивости автомобиля при торможении.
Датчики частоты вращения колеса:
Передает частоту вращения каждого из колес автомобиля. Скорость автомобиля определяется, как средняя скорость передних колес.
Исполнительный механизм (то бишь - муфта):
Распределяет мощность между передними и задними колесами.
Тут тоже ясно.

Режим 4X2 (2WD):
Режим переднего привода (2WD) включается, если водитель переводит переключатель в 2WD. После перехода системы ETC в режим переднего привода на щитке приборов загорается сигнальная лампа 2WD.
В случае возникновения внутренней неисправности или механической неисправности ЭБУ системы впрыска, а также серьезных межсистемных неисправностей, система ETC переходит в режим переднего привода (безопасный режим), при этом загораются сигнальные лампы 2WD и неисправности (пила).
При слишком большом повышении температуры муфты ETC (если PR009 Температура муфты > 220 °C) система ETC
переходит в режим переднего привода, при этом мигает сигнальная лампа переднего привода.
То есть, если плохо то: сигнальные лампы 2WD и пила горят. А если совсем плохо то мигает сигнальная лампа 2WD.

Режим АВТОМАТИЧЕСКОГО ПОЛНОГО ПРИВОДА (AUTO):
Режим AUTO включен, если переключатель ETC находится в положении
AUTO и выключен режим БЛОКИРУЕМОГО ПОЛНОГО ПРИВОДА (4WD LOCK). После перехода системы ETC в режим AUTO на щитке приборов гаснут сигнальные лампы 2WD и 4WD LOCK. После выбора данного режима ETC устанавливает заданный крутящий момент в соответствии с разницей частоты вращения передних и задних колес. Для выполнения этой регулировки крутящего момента необходимо проверить несколько условий:
• работающем двигателе,
• Водитель выполняет ускорение (PR021 Положение педали акселератора > 20),
• Водитель не выполняет торможение,
Если оценочная температура муфты слишком высокая, то режим АВТОМАТИЧЕСКОГО ПОЛНОГО ПРИВОДА становится недоступным и система ETC переходит:
либо в режим 4WD LOCK (для снижения трения между дисками, если значение PR009 Температура муфты равно 160 °C < 220 °C). Мигает сигнальная лампа 4WD LOCK,
– или в режим 2WD (опасность повреждения исполнительного механизма при PR009 > 220 °C ), в этом случае мигает сигнальная лампа ПЕРЕДНЕГО ПРИВОДА.
Система ETC возвращается в режим AUTO, как только температура ETC становится ниже 142 °C.
Делаем вывод: температура муфты определяется по частоте вращения колес! Оригинально. И, сначала переходим в LOCK, а при превышении оценочной температуры выше 220°C отключается задний привод. Это надо понимать, что при значительной разнице в частоте вращения колес, муфта блокируется максимально, и если частота не выравнивается, то отключаемся на фиг! Ехал по гомну и утонул...

Режим БЛОКИРУЕМОГО ПОЛНОГО ПРИВОДА (4WD LOCK):
Режим 4WD LOCK включается, если при нахождении системы ETC в режиме
AUTO водитель переводит переключатель ETC в положение 4WD LOCK, а затем позволяет переключателю вернуться в положение AUTO . После перехода системы ETC в режим 4WD LOCK, на щитке приборов загорается сигнальная лампа 4WD LOCK.
После выбора данного режима система ETC обеспечивает максимальный крутящий момент при скорости ниже 30 км/ч.
Требуемый крутящий момент постепенно снижается при скорости от 30 км/ч до 100 км/ч. При скорости выше 100 км/ч
режим 4WD LOCK отключается
, и система ETC переходит в режим AUTO.
Для выполнения этой регулировки крутящего момента необходимо проверить несколько условий:
• работающем двигателе,
• Водитель выполняет ускорение (PR021 > 20),
• Водитель не выполняет торможение,
• скорость автомобиля выше порогового значения 30 км/ч.
При отклонении от нормы режим 4WD LOCK становится недоступным.

Тут фигурирует цифра "100 км/ч", не знаю к чему она. Лично проверял - лампа "4WD LOCK" гаснет при 83км/ч. Плюс ко всему повторение алгоритма из режима AUTO: перегрелась - отключилась

Вложение 3002

А вот что есть на просторах интырента...

КАК РАБОТАЕТ МУФТА (Геннадий Емелькин)
Конструктивно схемы работы подключаемого полного привода «Рено-Дастер» и «Мазды СХ-5» близки. У обоих автомобилей есть электронная муфта, расположенная в корпусе редуктора задней оси. Она, руководствуясь информацией о разности скоростей вращения передних (основных ведущих) и задних колес, приходящей через датчики антиблокировочной системы на блок управления, при необходимости блокируется, подключая вторую ось. Алгоритм управления муфтой довольно сложный и зависит от ряда внешних факторов.



Схема открывается в полный размер по клику мышки.
Схема работы полного привода «Мазды СХ-5» такова. При равномерном движении, когда скорости колес одинаковые, крутящий момент подается на корпус муфты (4). Диски (5) управляющей муфты разомкнуты. Ведомый (1) и ведущий (7) диски неподвижны друг относительно друга и вращаются вместе с ведомым валом муфты (9), соединенным с валом главной передачи задних колес. Крутящий момент на задние колеса не передается.
Как только колеса передней оси начинают проскальзывать (угловая разница 15–20 градусов), блок управления полным приводом подает сигнал на электромагнитную катушку (2). Под действием магнитного поля якорь (8) притягивается к ней и сжимает диски управляющей муфты (5), которые соединяют ведущий диск с корпусом муфты (6). Из-за разности их скоростей ведущий диск проворачивается, шарики (3) смещаются по наклонной направляющей канавке и сдвигают ведомый диск, который сжимает диски главной муфты, – муфта включена.
Для отключения муфты блок управления снимает сигнал с катушки, диски управляющей муфты размыкаются, ведущий диск проворачивается, шарики возвращаются в исходное положение – диски главной муфты размыкаются. Это произойдет не только при установившемся равномерном движении, но и при срабатывании антиблокировочной системы и системы динамической стабилизации.
Чтобы сберечь муфту от повреждений в тяжелых условиях, предусмотрена защита. При нагреве масла в редукторе до 100 градусов блок управления отключает муфту и не включит ее до тех пор, пока температура не понизится до 60 градусов.







Еще инфа по муфте.
http://x-trail-club.ru/topic/20936-n...-trailu/page-7
http://www.off-road-drive.ru/archive...blesk__krasota
http://www.port3.ru/search/NISSAN/383002A01A
http://www.avtozapp.ru/search?pcode=...B9%D1%82%D0%B8
http://www.exist.ru/price.aspx?sr=-4...=%09383002A01A
http://renault.epcdata.ru/duster/181...st/01036615/1/
https://www.drive2.ru/b/1332617/
http://mp3real.ru/video/KPd3RCiFIGk





А тут ненаучные изыскания двух дастероводов, пытающихся разобраться в алгоритме работы муфты.
Duster Renault 383002A01A - дифференциал заднего моста в сборе ("муфта").
Вложения
Тип файла: pdf Трансмиссия полного приводаMR-453-X79-26A000.pdf (228.4 Кб, 1298 просмотров)
__________________
"во время войны нельзя говорить плохо о своих, НИКОГДА" ©

Кто понял жизнь тот больше не спешит,
смакует каждый миг и наблюдает.

Мой бортовой журнал. Новое сообщение.
....

Последний раз редактировалось dg972; 18.03.2020 в 13:56.
dg972 вне форума   Вверх Ответить с цитированием
2 пользователя(ей) сказали cпасибо:
Это может быть интересно
Старый 31.01.2013, 13:08   #2
dg972
Член клуба
Член клуба
 
Аватар для dg972
 
Имя: Дмитрий
Регистрация: 23.12.2012
Адрес: Москва
Авто: Privilege 4x4 2.0 МКП6. Чип АДАКТ. Коричневый орехх. 2012 гр.
Сообщений: 17,178
dg972 dg972 dg972 dg972 dg972 dg972 dg972 dg972 dg972 dg972 dg972
По умолчанию Штурм бордюра.

Вчера, что бы заехать в гараж пришлось штурмовать бордюр. Сосед свой Логан раскорячил неудачно.
Подъезжаю к бордюру под острым углом, руль вправо режим LOCK. Думал заеду - ага, проскользнул по прямой вдоль бордюра. Под другим углом не подъедешь - все машинами заставлено, Я обратно, на исходную выключил задок, руль вправо и... в легкую заехал на площадку. только на передке.
Будем знать, будем уметь.
__________________
"во время войны нельзя говорить плохо о своих, НИКОГДА" ©

Кто понял жизнь тот больше не спешит,
смакует каждый миг и наблюдает.

Мой бортовой журнал. Новое сообщение.
....
dg972 вне форума   Вверх Ответить с цитированием
Старый 07.01.2014, 21:07   #3
dg972
Член клуба
Член клуба
 
Аватар для dg972
 
Имя: Дмитрий
Регистрация: 23.12.2012
Адрес: Москва
Авто: Privilege 4x4 2.0 МКП6. Чип АДАКТ. Коричневый орехх. 2012 гр.
Сообщений: 17,178
dg972 dg972 dg972 dg972 dg972 dg972 dg972 dg972 dg972 dg972 dg972
По умолчанию Замеры муфты подключения заднего привода осциллографом.

Сегодня встречался с Дмитрием69. Место встречи - пустырь, а точнее карьер на пересечении Лобачевского и Мичуринского. Цель - понять как работает муфта.
К проводам управления муфтой был подключен осциллограф с ЖК дисплеем. Тут не будет никаких цифр: мы не собираемся писать диссертацию, просто коротенько в двух словах опишу что видел на экране осциллографа.
Режим LOCK. Машина стоит, двигатель заведен - есть импульсы: муфта заблокирована. Трогаемся с места - длительность импульса незначительно увеличивается. Разгон - длительность не меняется. Переключение передачи: педаль газа отпускаем - импульсы пропадают: муфта отключилась. Включаем передачу и на газ - снова есть включение муфты. При достижении скорости 35 км/ч длительность импульса начинает уменьшаться (муфта начинает отключаться), а при 55 км/ч импульсы и вовсе пропадают (работает только передний привод). А лампа 4WD LOCK продолжает гореть. При движении назад импульсы присутствуют.
Режим AUTO. Не удивил. Всякий раз при нажатии на педаль газа, кратковременно появлялись импульсы по длительности меньшей чем в LOCK.
А вот 2WD меня шокировал. Муфта тоже подключается с алгоритмом близким к режиму AUTO, но с длительностью импульсов в два раза меньшей, чем в LOCK. То есть пакет дисков незначительно, но сжимается, передавая какой то незначительный процент крутящего момента на заднюю ось. Но есть маленькая хитрость. При трогании с места, в отличии от режима AUTO, импульсы не появляются вообще.
Покатавшись по асфальту, мы съехали в грязь, пытаясь проанализировать поведение блока ETC в говнах. Итогом наших экспериментов стало то, что Дастер Дмитрия соскользнул в колею и повис на брюхе... Смеркалось... Весь наш экспериментальный задор куда то исчез... Мне предстояла пикантная задача вытянуть Дмитрия, не повиснув на брюхе самому... Все прошло удачно.
Вообще, пока висели надо было по буксовать на AUTO и 2WD и посмотреть на импульсы, но... смеркалось ))) Не догадались.

ps LOCK - работает до 35 км/ч, дальше крутящий момент, передаваемый на заднюю ось уменьшается, позволяя свободно рулить. На 55км/ч задний привод становиться нам не нужен и он отключается.
С AUTO всем всё понятно?
2WD - сильно урезанный AUTO. в какой то момент задок все-таки подталкивает машину вперед, но передаваемый на зад крутящий момент невелик. Он он тама есть)))

Если я чего не так написал, надеюсь тезка меня поправит.

Цитата:
Сообщение от Дмитрий69
Сегодня еще час катался по асфальту, смог сделать некоторые выводы. Машина у меня 13 года, ТО еще не делал, ничего не перепрошивал, может и не надо уже. В общем так: 2вд ориентирован похоже на сохранение муфты и срабатывает при или каком то определенном ускорении или при сильной разнице во вращении колес. Авто режим то же самое плюс пробуксовка колес и старт. В реале разницы на этих режимах при езде нет или почти нет при поворотах(работает долго) резких ускорениях (кратковременно) на 2-3-иногда 4 передачах на 5 такого рывка уже не получишь. А вот при старте если медленно то в 2вд не сработает, при авто срабатывало всегда, при буксе на месте на 1ой 2вд не реагирует, в авто после пробуксовки сработает. Ну как то так, все остальное второстепенно. Да еще интересно задний ход на авто совсем другая песня при старте не подключится сразу только при резком старте или сильной пробуксовке передних, так что из грязи только на ЛОКе, проверял раз десять. Ну и людям что бояться ездить в авто режиме и ждут толчков в зад ездите спокойно в 2вд и дальше как у вас ПП плавно подключался так и дальше будет.
__________________
"во время войны нельзя говорить плохо о своих, НИКОГДА" ©

Кто понял жизнь тот больше не спешит,
смакует каждый миг и наблюдает.

Мой бортовой журнал. Новое сообщение.
....
dg972 вне форума   Вверх Ответить с цитированием
Старый 07.01.2014, 21:18   #4
Ky6uk
Совет клуба
 
Аватар для Ky6uk
 
Имя: Игорь
Регистрация: 08.12.2012
Адрес: г.Москва
Авто: GAC GS8 2023г
Сообщений: 9,918
Ky6uk Ky6uk Ky6uk Ky6uk Ky6uk Ky6uk Ky6uk Ky6uk Ky6uk Ky6uk Ky6uk
По умолчанию

Да как то уже Юрий вопрос задал
http://www.duster-clubs.ru/forum/sho...&postcount=166
Цитата:
Вопрос: При каких условиях и в каких случаях заложено подключение заднего моста (включение эл.-магн. муфты) на Рено Дастер при движении автомобиля с включенным режимом работы муфты 2WD?
Зависит ли это от варианта двигателя, комплектации автомобиля, наличия системы ESP или каких-либо других факторов ?
Значит это уже известно не только сейчас...
__________________
АВТОСЕРВИС RENAULT и не только...
https://logan-garage-msk.ru/
ул. 3-е Почтовое отделение, д.98Ас2 / 2 этаж /
Заезд с ул.Маршала Полубоярова
----------------
+7 985 912 68 06 +7 929 536 26 00
Ky6uk вне форума   Вверх Ответить с цитированием
Старый 07.01.2014, 21:34   #5
AlexZ
Член клуба
Член клуба
 
Регистрация: 20.04.2013
Адрес: Питер, Гражданка
Авто: Kaptur 2.0 4x4 МКП-6 Style '17 (был Duster 2.0 4x4 МКП-6 Lux '13)
Сообщений: 1,576
AlexZ AlexZ AlexZ AlexZ
По умолчанию

Цитата:
Сообщение от Ky6uk Посмотреть сообщение
Значит это уже известно не только сейчас...
Читал давно о тестах с муфтой на дастере - там все было подробно расписано... ВОТ ТУТ
AlexZ вне форума   Вверх Ответить с цитированием
Старый 09.09.2016, 22:58   #6
dg972
Член клуба
Член клуба
 
Аватар для dg972
 
Имя: Дмитрий
Регистрация: 23.12.2012
Адрес: Москва
Авто: Privilege 4x4 2.0 МКП6. Чип АДАКТ. Коричневый орехх. 2012 гр.
Сообщений: 17,178
dg972 dg972 dg972 dg972 dg972 dg972 dg972 dg972 dg972 dg972 dg972
По умолчанию Осциллограф на муфте

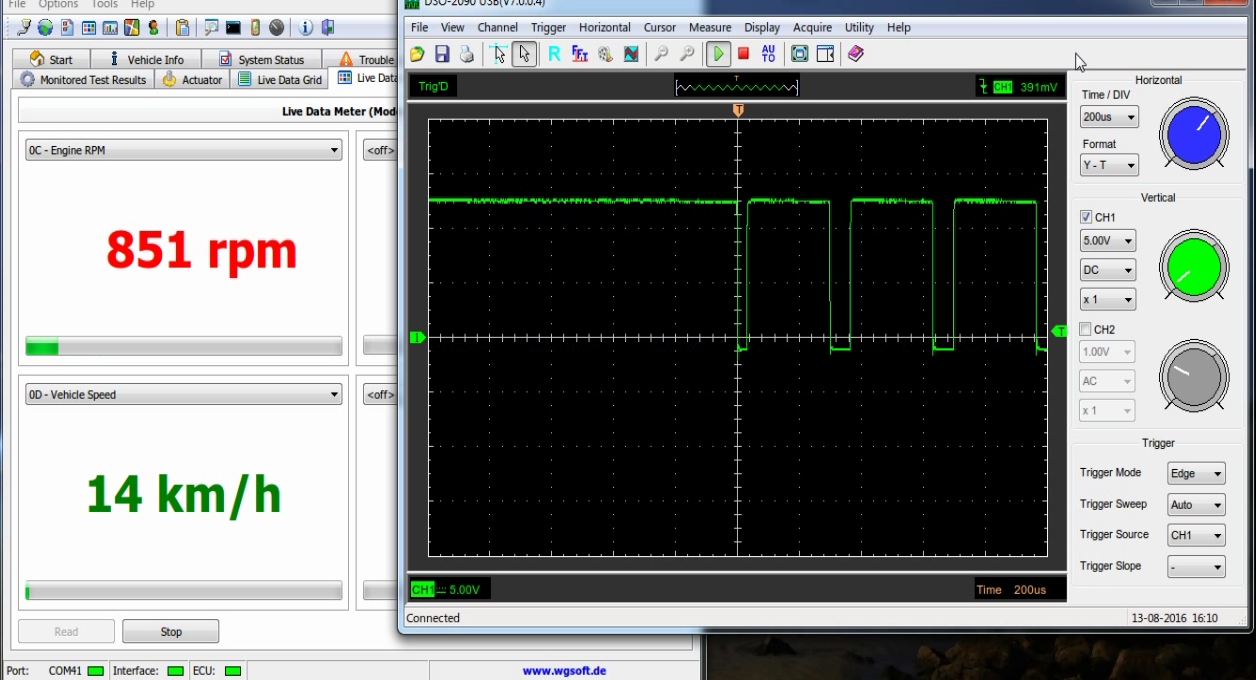
И так, мы знаем, что муфта управляется ШИМ по двум проводам. До проводов можно добраться подняв диван заднего сидения и распотрошив жгут, идущий в резиновую. заглушку над бензобаком. Подключив осциллограф к оранжевому и серому проводам получаем картинку. Тут надо отметить, что управление идет по обратному проводу, поэтому делаем переполюсовку, что бы импульсы имели привычный вид.

В качестве осциллографа использовалась USB приставка DSO-2090 USB, подключалась она к ноуту ASUS 52-ой серии, блютуз OBD II сканер и соответствующее по: ScanMaster, ПО для осциллографа и программа записи видео с экрана. Был задействован резервный источник питания.
Тут надо отметить, что из-за того, что управление электромагнитом муфты идет по обратному проводу, ноут подключить к бортовой сети машины, не представлялось возможным.
На экране ноута мы видим импульсы, управляющие электромагнитом муфты, скорость машины и обороты двигателя.
Чем больше длительность (верхняя часть) импульса, тем больше эффективное напряжение, прикладываемое к электромагниту, тем больше сжимаются между собой диски муфты.

Режим LOCK на стоячем авто.
При отпускании педали газа импульсы пропадают - муфта деблокируется. Как только обороты падают и становятся равны примерно 800 об/мин, импульсы снова появляются и диски жимаются. Длительность импульса - 80 мкс. эффективное напряжение - 7,28 В, частота следования импульсов - 3,03 кГц.



При движении по асфальту:
LOCK до 80 км/ч
При разгоне длительность импульсов увеличивается до 200мкс, в этот момент к муфте прикладывается напряжение равное амплитудному, т.е. муфта заблокирована максимально. При приближение скорости к 50 км/ч длительность уменьшается, а после вообще пропадают, лишь кратковременно появляются в районе 60. Индикатор LOCK на приборке - горит! Всякий раз, при отпускании педали газа, муфта отключается полностью. Нет импульсов и при движении на нейтрале и при торможении мотором, НО! При падении скорости ниже 10 км/ч импульсы появляются и машина тормозить мотором всеми четырьмя.






LOCK свыше 80км/ч
Разгон происходит по выше описанному сценарию. На 80 км/ч гаснет индикатор LOCK и ничего не происходит. А вот при торможении на скорости ниже 10 км/ч импульсы не появляются, потому что мы уже в режиме AUTO.



LOCK на спуске.
При трогании с места плавно, на скорости свыше 7 км/ч, импульсы пропадают - муфта отключается. При отпускании педали газа - появляются и автомобиль тормозит мотором всеми четырьмя колесами. При нажатии на педали тормоза и сцепления импульсы остаются. Длительность импульса - 100 мкс.




AUTO на асфальте.
во время разгона появляются импульсы длительностью до 80мкс. задок помогает разогнать машину до 40км/ч, а после не включается.




2WD на асфальте.
При трогании с места импульсов нет. Нет их и на протяжении всего цикла разгона. Но стоит сбросить скорость тормозя мотором, а затем нажать на газ, так сразу появляются импульсы длительностью до 80 мкс. (Как в режиме AUTO)
На сухом асфальте муфта не подключается на скорости свыше 40 км/ч.




C асфальта съезжаем на грунтовку и поле.
Резкий старт на траве в AUTO. Длительность импульсов приближается к режиму LOCK и, даже, в какой-то момент импульсы пропадают и к муфте прикладывается постоянное напряжение.




Резкий старт с пробуксовкой на траве в 2WD. Я не буду выкладывать видео, потому как нет не единого импульса. Гребет чисто передок. А вот если ехать не спеша примерно с одной скоростью импульсы присутствуют, так же как и в AUTO.




Ниже видео всех трех режимов. Можно лишь с уверенностью сказать где LOCK, а остальные два режим отличить друг от друга не возможно.




Изначально, по плану было желание сделать шесть видео: по три режима на асфальте и в диагоналке. С асфальтом было все относительно просто. Находим участок дороги с низким трафиком и проводим эксперименты. А вот с диагоналкой были сложности. В поисках подходящего места, я проехал практически всю "Домодедовскую Глиссаду" и только под конец нашел нужное место. К этому времени я уже посадил пауэр бокс и АКБ ноута, практически, в ноль. Поэтому диагоналку я записал одним роликом и без соединения с OBD сканером.
Ничего нового. В 2WD муфта вообше не работает, AUTO как AUTO, импульсы появляются после трогания с места и их длительность составляет до 100 мкс. В LOCK - сразу и длительность до 280 мкс.



Какие выводы напрашиваются?
Первое. Очень сильно будут разочарованы те дастероводы, которые считают, что повернув переключатель в LOCK они получают строгое распределение крутящего момента 50х50. Нет, полный привод подключается блоком ETC по требованию. Зачем нужно это 50х50 на асфальте? Пакет дисков в муфте постоянно сжимается и разжимается словно гармонь в руках гармониста, в зависимости от частоты вращения каждого колеса, положения педали газа и скорости движения машины.
Второе. 2WD не чисто передний привод. При определенных условиях на задний мост подается момент для стабилизации траектории движения... Наверное... а зачем еще при спокойной езде подключать задок?

Складывается впечатление, что все три режима это разновидности AUTO.

Кстати про бездорожье: ждем распутицу и в поля с осциллографом - смотреть работу LOCK и 2WD. А зимой было бы не плохо покататься по скользкой дороге, а лучше по ВПП какого-нибудь аэродрома. Уж больно не хочется, гладя в монитор уйти в кювет.



Цитата:
Сообщение от Ky6uk Посмотреть сообщение
Я знаю как работает трансмиссия на Дастере.

режим АВТО

На стенде зеленые SPEED 1 и SPEED2 , это передняя ось и задняя. Скорость отдельно замеряет по осям. И видно , что после 80 км./ч машина становится просто переднеприводная. В каком бы режиме она не ехала. Муфта отключает подачу на задние колеса.
То есть даже при отсутствии сцепления задних колес с грунтом, задок отключиться после 80 км/ч. Задняя ось вращается за счет того, что ведущие диски "ведут" ведомые. Образно говоря есть некий преднатяг в муфте.
__________________
"во время войны нельзя говорить плохо о своих, НИКОГДА" ©

Кто понял жизнь тот больше не спешит,
смакует каждый миг и наблюдает.

Мой бортовой журнал. Новое сообщение.
....

Последний раз редактировалось dg972; 23.09.2020 в 12:23.
dg972 вне форума   Вверх Ответить с цитированием
3 пользователя(ей) сказали cпасибо:
Старый 11.09.2016, 00:05   #7
Regas
.
 
Имя: Александр
Регистрация: 24.08.2013
Адрес: Москва-Троицк
Авто: 2 4х4 lux pre M6FWD Quaife, RWD no slip loker, DRIVENGE. Все включено Колеос 2,5 CVT 4x4 люк RWD
Сообщений: 627
Regas Regas Regas
По умолчанию

Хорошо проделанная работа, лично мне хотелось бы увидеть полноту картины.
Первое хочу отметить то что, как пишет производитель муфта управляется по ТОКУ, а не по напряжению, как многие её изучают, тоесть некий блок работает по принципу реостата и подаёт на муфту силу тока от 0 до 10 ампер.

Значит допустим в режиме Лок на питании муфты 10А, тоесть самая сила сжатия дисков, понятно что это происходит импульсно по требованию
И главный вопрос для меня, думаю и для тех кто проводит на бездоре, как отслеживается температура мутфты или отключение муфты проходит по другому алгоритму.
Допустим отключение происходит так, режим Лок Дастер на скользком снегу или глине, электроника видит по датчикам задних колёс, что колеса задние не имеют такого вращения что и передние или стоят на месте, по такому импульсу информации происходит отключение и мы все говорим о перегреве муфты, а на самом деле перегрева небыло, а сработала преждевременно защита от якобы перегрева отключив муфту.

Почему такие вопросы, были мысли поставить реостат по управлением тока, тоесть по ситуации нужен настоящий полный привод крутанул ручку на 10А и вперёд.
Но задумался, сам электромагнит будет тоже греться и создавать температуру, а если в трудных местах сильно густой жидкой глины или снежной оттепели толстенного снега будет создаваться пробуксовка дисков муфты от такой нагрузки, то определить перегрев придётся по запаху паленого масла что не совсем устраивает такой вариант, а то вообще кирдык.
От сюда ещё один вопрос, какую силу выдерживают диски муфты и как ощутить эту силу?
Regas вне форума   Вверх Ответить с цитированием
Пользователь сказал cпасибо:
Старый 11.09.2016, 00:31   #8
dg972
Член клуба
Член клуба
 
Аватар для dg972
 
Имя: Дмитрий
Регистрация: 23.12.2012
Адрес: Москва
Авто: Privilege 4x4 2.0 МКП6. Чип АДАКТ. Коричневый орехх. 2012 гр.
Сообщений: 17,178
dg972 dg972 dg972 dg972 dg972 dg972 dg972 dg972 dg972 dg972 dg972
По умолчанию

Цитата:
Сообщение от Regas Посмотреть сообщение
Хорошо проделанная работа,
Спасибо, конечно, но что-то я не удовлетворен. Не все и не до конца...

Цитата:
Сообщение от Regas Посмотреть сообщение
как пишет производитель муфта управляется по ТОКУ, а не по напряжению,
Саш, ссылку дай, плиз, мне интересно.

Цитата:
Сообщение от Regas Посмотреть сообщение
как отслеживается температура мутфты или отключение муфты проходит по другому алгоритму.
Чем больше лезешь в эту тему тем больше вопросов. У тебя отключается?
Цитата:
Сообщение от Regas Посмотреть сообщение
реостат по управлением тока,
Ток зависит от напряжения прикладываемому к обмотке электромагнита и ее сопротивления. Но с учетом того, что напряжение не постоянное, а импульсное, то по закону ома тут не посчитать. Нужен сова!

Цитата:
Сообщение от Regas Посмотреть сообщение
Но задумался, сам электромагнит будет тоже греться и создавать температуру, а если в трудных местах сильно густой жидкой глины или снежной оттепели толстенного снега будет создаваться пробуксовка дисков муфты от такой нагрузки, то определить перегрев придётся по запаху паленого масла что не совсем устраивает такой вариант, а то вообще кирдык.
Саш, мы же ездим не на джипах. мы все дружно купили легковушку. Это Логан, кузов универсал, имеющий полный привод и увеличенный клиренс.
В ГОВНЫ нужно лезть на рамном ЖЫПе с чисто механической раздаткой. Не трогайте интеллектуальный полный привод! А то если у него крыша поедет - мало не покажется.
Цитата:
Сообщение от Regas Посмотреть сообщение
От сюда ещё один вопрос, какую силу выдерживают диски муфты и как ощутить эту силу?
И в чем она измеряется?! И как связать длительность импульса с этой силой?
Чем дальше в лес - тем толще партизаны...
__________________
"во время войны нельзя говорить плохо о своих, НИКОГДА" ©

Кто понял жизнь тот больше не спешит,
смакует каждый миг и наблюдает.

Мой бортовой журнал. Новое сообщение.
....
dg972 вне форума   Вверх Ответить с цитированием
Пользователь сказал cпасибо:
Старый 11.09.2016, 09:48   #9
aGt
Местный
 
Аватар для aGt
 
Имя: Александр
Регистрация: 19.12.2012
Адрес: Западная Сибирь, Кемерово
Авто: 2,0/4х4/ Платина
Сообщений: 873
aGt aGt aGt
По умолчанию

Дима на мой взгляд у муфты нет контроля температуры.Заложено определенное/макс.расчетное время, время работы с разностью скоростей по осям перед
\зад...Если не уложился отрубает. Вылезает и проявляется в зимой.
__________________
aGt вне форума   Вверх Ответить с цитированием
Пользователь сказал cпасибо:
Старый 11.09.2016, 14:02   #10
сова
Член клуба
Член клуба
 
Аватар для сова
 
Имя: Юрий
Регистрация: 21.12.2013
Адрес: Новая Москва
Сообщений: 304
сова сова
По умолчанию

Цитата:
Сообщение от dg972 Посмотреть сообщение
Ток зависит от напряжения прикладываемому к обмотке электромагнита и ее сопротивления. Но с учетом того, что напряжение не постоянное, а импульсное, то по закону ома тут не посчитать. Нужен сова!
Все тоже самое, только берешь среднее значение напряжения, которое пропорционально коэффициенту заполнения. Вот если бы знать, как этот ток соотносится к передаваемому крутящему моменту, можно бы было какой нибудь индикатор замутить.
сова вне форума   Вверх Ответить с цитированием
Пользователь сказал cпасибо:
Старый 11.09.2016, 19:00   #11
dg972
Член клуба
Член клуба
 
Аватар для dg972
 
Имя: Дмитрий
Регистрация: 23.12.2012
Адрес: Москва
Авто: Privilege 4x4 2.0 МКП6. Чип АДАКТ. Коричневый орехх. 2012 гр.
Сообщений: 17,178
dg972 dg972 dg972 dg972 dg972 dg972 dg972 dg972 dg972 dg972 dg972
По умолчанию

Цитата:
Сообщение от сова Посмотреть сообщение
Все тоже самое,
А как же индуктивная составляющая? Или ее учитываем только при переменном напряжении?
Цитата:
Сообщение от сова Посмотреть сообщение
Вот если бы знать, как этот ток соотносится к передаваемому крутящему моменту, можно бы было какой нибудь индикатор замутить.
Да, знать бы...

Цитата:
Сообщение от aGt Посмотреть сообщение
Дима на мой взгляд у муфты нет контроля температуры.Заложено определенное/макс.расчетное время, время работы с разностью скоростей по осям перед
\зад...Если не уложился отрубает.
Ну это как бы уже не только твой взгляд. В муфту идет только два провода, так что никаких датчиков там нет.

Цитата:
Сообщение от aGt Посмотреть сообщение
Вылезает и проявляется в зимой.
Уже не вылезает и не проявляется ни зимой, ни летом. Дефект устраняется перепрошивкой блока полного привода у дилера по гарантии.
__________________
"во время войны нельзя говорить плохо о своих, НИКОГДА" ©

Кто понял жизнь тот больше не спешит,
смакует каждый миг и наблюдает.

Мой бортовой журнал. Новое сообщение.
....
dg972 вне форума   Вверх Ответить с цитированием
Старый 11.09.2016, 19:05   #12
Юрий1976
Местный
 
Имя: Юрий
Регистрация: 11.05.2016
Адрес: Россия
Сообщений: 256
Юрий1976
По умолчанию

по двум проводам можно не только питание на электромагнит подавать.
но и слушать датчик(и) в токовую паузу.
кроме того учитывая есть ещё масса, то проводов уже три.
а это значительно расширяет возможности.
Юрий1976 вне форума   Вверх Ответить с цитированием
Старый 11.09.2016, 19:17   #13
dg972
Член клуба
Член клуба
 
Аватар для dg972
 
Имя: Дмитрий
Регистрация: 23.12.2012
Адрес: Москва
Авто: Privilege 4x4 2.0 МКП6. Чип АДАКТ. Коричневый орехх. 2012 гр.
Сообщений: 17,178
dg972 dg972 dg972 dg972 dg972 dg972 dg972 dg972 dg972 dg972 dg972
По умолчанию

Юрий1976, Вы осциллограмму видели? Где там температура?
Вы мануал для сервисменов читали? Не надо фантазировать.
__________________
"во время войны нельзя говорить плохо о своих, НИКОГДА" ©

Кто понял жизнь тот больше не спешит,
смакует каждый миг и наблюдает.

Мой бортовой журнал. Новое сообщение.
....
dg972 вне форума   Вверх Ответить с цитированием
Старый 11.09.2016, 19:52   #14
Юрий1976
Местный
 
Имя: Юрий
Регистрация: 11.05.2016
Адрес: Россия
Сообщений: 256
Юрий1976
По умолчанию

Цитата:
Сообщение от dg972 Посмотреть сообщение
Юрий1976, Вы осциллограмму видели? Где там температура?
Вы мануал для сервисменов читали? Не надо фантазировать.
Нет. Дома интернет совсем авно. Завтра гляну с работы.
Но вы мерили осциллограмму относительно этих проводов?
Юрий1976 вне форума   Вверх Ответить с цитированием
Старый 11.09.2016, 21:11   #15
dg972
Член клуба
Член клуба
 
Аватар для dg972
 
Имя: Дмитрий
Регистрация: 23.12.2012
Адрес: Москва
Авто: Privilege 4x4 2.0 МКП6. Чип АДАКТ. Коричневый орехх. 2012 гр.
Сообщений: 17,178
dg972 dg972 dg972 dg972 dg972 dg972 dg972 dg972 dg972 dg972 dg972
По умолчанию

Цитата:
Сообщение от Юрий1976 Посмотреть сообщение
Но вы мерили осциллограмму относительно этих проводов?
Да, и Юрий, электросхемку гляньте.
__________________
"во время войны нельзя говорить плохо о своих, НИКОГДА" ©

Кто понял жизнь тот больше не спешит,
смакует каждый миг и наблюдает.

Мой бортовой журнал. Новое сообщение.
....
dg972 вне форума   Вверх Ответить с цитированием
Старый 11.09.2016, 23:55   #16
Regas
.
 
Имя: Александр
Регистрация: 24.08.2013
Адрес: Москва-Троицк
Авто: 2 4х4 lux pre M6FWD Quaife, RWD no slip loker, DRIVENGE. Все включено Колеос 2,5 CVT 4x4 люк RWD
Сообщений: 627
Regas Regas Regas
По умолчанию

Схема такая, остальную информацию не сохранил, если попадётся скину.
Миниатюры
Нажмите на изображение для увеличения
Название: image.png
Просмотров: 1741
Размер:	43.4 Кб
ID:	65458  
Regas вне форума   Вверх Ответить с цитированием
Старый 12.09.2016, 10:21   #17
dg972
Член клуба
Член клуба
 
Аватар для dg972
 
Имя: Дмитрий
Регистрация: 23.12.2012
Адрес: Москва
Авто: Privilege 4x4 2.0 МКП6. Чип АДАКТ. Коричневый орехх. 2012 гр.
Сообщений: 17,178
dg972 dg972 dg972 dg972 dg972 dg972 dg972 dg972 dg972 dg972 dg972
По умолчанию

Цитата:
Сообщение от AlexZ Посмотреть сообщение
Читал давно о тестах с муфтой на дастере - там все было подробно расписано... ВОТ ТУТ
Совершенно другой алгоритм. И не известно как замеряли.
__________________
"во время войны нельзя говорить плохо о своих, НИКОГДА" ©

Кто понял жизнь тот больше не спешит,
смакует каждый миг и наблюдает.

Мой бортовой журнал. Новое сообщение.
....
dg972 вне форума   Вверх Ответить с цитированием
Старый 11.10.2016, 23:50   #18
dg972
Член клуба
Член клуба
 
Аватар для dg972
 
Имя: Дмитрий
Регистрация: 23.12.2012
Адрес: Москва
Авто: Privilege 4x4 2.0 МКП6. Чип АДАКТ. Коричневый орехх. 2012 гр.
Сообщений: 17,178
dg972 dg972 dg972 dg972 dg972 dg972 dg972 dg972 dg972 dg972 dg972
По умолчанию

Наступила осень, прошли дожди. По полю, грибники, накатали колею на которой я и записал осциллограммы работы системы полного привода ETC.




Режим 2WD.
Муфта отключается при разгоне с места, в движении при при нажатии на педаль газа или отпускании ее. При движении без ускорения импульсы присутствуют. То есть получается, что положение 2WD создает имитацию переднего привода и возможности управления автомобилем как переднеприводным.




Режим AUTO.
Муфта подключается при разгоне с места, при ускорении во время движения и при движении без ускорения... При движении без ускорения иногда импульсы пропадают. Видимо это связано с тем, что в какой-то момент частота вращения передних и задних колес уравнивается. При отпускании газа, муфта отключается.




Режим LOCK.
При повороте переключателя ПП в LOCK, сразу появляются импульсы, еще на стоящей машине. При разгоне, движении и ускорении длительность импульса равна паузе. Осмелюсь предположить, что диски в муфте сжаты максимально. Но стоит только отпустить педаль газа, как муфта отключает заднюю ось и при падении скорости до 7км/ч снова подключает, но длительность импульса в 2 раза меньше.




Какие выводы можно сделать?
В 2WD машина очень неохотно разгоняется на раскисшей грунтовке даже на ТМшной резине. Я вот только не могу понять зачем муфта работает при спокойной,без ускорения езде? Может это баг прошивки?
AUTO, на мой взгляд, самый оптимальный режим для такой дороги. Интеллектуальный ПП сам решает когда есть необходимость в работе задней оси. Никакого дискомфорта не ощущается.
LOCK - замок. ))) Замок открывается и закрывается сам))) Интеллектуальный полный привод ЕТС решает сам когда нам ненужна блокировка. Этот режим все-таки для более серьёзных дорог (бездорожья). Смысла на такой целине в блокировке нет.



Миниатюры
Нажмите на изображение для увеличения
Название: 20161008_140839.jpg
Просмотров: 1863
Размер:	500.4 Кб
ID:	66249   Нажмите на изображение для увеличения
Название: 20161008_140845.jpg
Просмотров: 1738
Размер:	392.5 Кб
ID:	66250  
__________________
"во время войны нельзя говорить плохо о своих, НИКОГДА" ©

Кто понял жизнь тот больше не спешит,
смакует каждый миг и наблюдает.

Мой бортовой журнал. Новое сообщение.
....

Последний раз редактировалось dg972; 21.02.2018 в 15:40.
dg972 вне форума   Вверх Ответить с цитированием
6 пользователя(ей) сказали cпасибо:
Старый 18.03.2020, 14:14   #19
dg972
Член клуба
Член клуба
 
Аватар для dg972
 
Имя: Дмитрий
Регистрация: 23.12.2012
Адрес: Москва
Авто: Privilege 4x4 2.0 МКП6. Чип АДАКТ. Коричневый орехх. 2012 гр.
Сообщений: 17,178
dg972 dg972 dg972 dg972 dg972 dg972 dg972 dg972 dg972 dg972 dg972
По умолчанию

__________________
"во время войны нельзя говорить плохо о своих, НИКОГДА" ©

Кто понял жизнь тот больше не спешит,
смакует каждый миг и наблюдает.

Мой бортовой журнал. Новое сообщение.
....
dg972 вне форума   Вверх Ответить с цитированием
Ответ


Ваши права в разделе
Вы не можете создавать новые темы
Вы не можете отвечать в темах
Вы не можете прикреплять вложения
Вы не можете редактировать свои сообщения

BB коды Вкл.
Смайлы Вкл.
[IMG] код Вкл.
HTML код Выкл.

Быстрый переход


Текущее время: 05:15. Часовой пояс GMT +3.
Powered by vBulletin® Version 3.8.7
Copyright ©2000 - 2025, vBulletin Solutions, Inc. Перевод: zCarot
vB.Sponsors

Яндекс.Метрика