Вернуться на главную

Вернуться   Форум Клуба Рено Дастер / Renault Duster Club > Техническая информация Рено Дастер > Электрооборудование и оптика > Электрика

Важная информация


Ответ
 
Опции темы Поиск в этой теме Опции просмотра
Старый 05.10.2015, 21:00   #1
Koles72ru
Новичок
 
Имя: Александр
Регистрация: 05.10.2015
Адрес: Тюмень
Сообщений: 1
Koles72ru
Question Установка фаркопа на РЕСТАЙЛИНГ

Рено дастер 2015 г.поставил фаркоп,подключил по схеме,в итоге-задние габариты горят только когда телегу подцепляю,а так горит только диодная полоска.кто ставил сам?или может кто знает почему так?


************************************************** *********

Установка фаркопа на рестайл без смарт-коннекта (или его еще называют блок согласования) грозит появлением ошибок электронных систем с появлением оранжевого значка "пила" на приборной панели. Штатная электрика может и не сгорит, но можно остаться без стопов от сгоревшего предохранителя. На фотке представлены ошибки от установки фаркопа без этого переходника.




Схема подключения:

Для чего это нужно

Не реклама и не призыв покупать то, что там указано. СТАТЬЯ ПРИВЕДЕНА ТОЛЬКО ДЛЯ ОЗНАКОМЛЕНИЯ С ПРОБЛЕМОЙ
Миниатюры
Нажмите на изображение для увеличения
Название: Эл. схема бс.jpg
Просмотров: 10335
Размер:	51.9 Кб
ID:	82838   Нажмите на изображение для увеличения
Название: фишка 3.png
Просмотров: 2645
Размер:	134.9 Кб
ID:	82840  

Последний раз редактировалось dg972; 26.03.2019 в 23:24.
Koles72ru вне форума   Вверх Ответить с цитированием
Это может быть интересно
Старый 05.10.2015, 21:09   #2
Skipper-Влад
Супер-модератор
Член клуба
 
Аватар для Skipper-Влад
 
Имя: Владислав
Регистрация: 09.12.2012
Адрес: Ульяновск
Авто: Duster Privilege 2.0 4х4
Сообщений: 12,580
Skipper-Влад Skipper-Влад Skipper-Влад Skipper-Влад Skipper-Влад Skipper-Влад Skipper-Влад Skipper-Влад Skipper-Влад Skipper-Влад Skipper-Влад
Отправить сообщение для Skipper-Влад с помощью ICQ
По умолчанию

Koles72ru, Duster рестайлинговый? Задняя оптика обновленная? Такая?

Подключали по какой схеме? Скан схемы можете выложить?
__________________

"С тех пор, как я стал водить машину, я стал осторожнее переходить дорогу."
"Будь внимателен на дорогах. Помни: ты явился на свет без запасных частей."
Skipper-Влад вне форума   Вверх Ответить с цитированием
Старый 05.10.2015, 21:10   #3
advokat86
Член клуба
Член клуба
 
Аватар для advokat86
 
Имя: Артем
Регистрация: 04.11.2014
Адрес: тюмень
Авто: New Duster Privilege 2.0 4WD МКПП6 ESP гбо brc, чип от SVV
Сообщений: 771
advokat86 advokat86
По умолчанию

Koles72ru, рестаил?
__________________
Представитель SVV в УРФО (Тюмень, Курган и Екатеринбург, Ирбит- по выходным)
телефон +7929269о3пять7
(активация БК на Ф2, часов, подсветки приборки, антиотката, автовключения з.дворника и т.д.)


Желающие на чип тюнинг записываемся заранее.https://vk.com/chiptuningsvv
advokat86 вне форума   Вверх Ответить с цитированием
Старый 05.10.2015, 22:30   #4
Valera
Тюнинг
 
Аватар для Valera
 
Имя: Валерий
Регистрация: 12.12.2012
Адрес: Москва
Авто: Kia Ceed JD
Сообщений: 1,011
Valera Valera Valera Valera
По умолчанию

Цитата:
Сообщение от Koles72ru Посмотреть сообщение
Рено дастер 2015 г.поставил фаркоп,подключил по схеме,в итоге-задние габариты горят только когда телегу подцепляю,а так горит только диодная полоска.кто ставил сам?или может кто знает почему так?
блок согласования на машине установили? если нет-то отчего?
машина CAN-шинная же уже. ставьте на телеге светодиодные лампы, если хотите минимальными потерями обойтись.
__________________
пересвет, активация БК(и на Ф2)часов, подсветки приборки, автовключения з.дворника,установка круиза (и даже без проводки), автосвет/ДХО, коррекция пробега Ф1;2, автозапирание, регул.пауза дворников(Ф1 и Ф2), "ленивые поворотники", подогревы и другие эл. поделки ;
диагностика Clip.
а также руль и р. кпп в Кожу)))
https://vk.com/club152397142

Последний раз редактировалось dg972; 13.10.2015 в 21:07.
Valera вне форума   Вверх Ответить с цитированием
Пользователь сказал cпасибо:
Старый 27.10.2015, 21:04   #5
sdenek
Новичок
 
Имя: Вадим
Регистрация: 11.10.2015
Адрес: Йошкар-Ола
Авто: DUSTER 2015 Expression dsi 1.5
Сообщений: 3
sdenek
По умолчанию

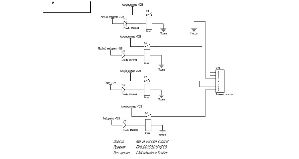
*Модуль соглосования…

Ни кому не секрет, что Нки напичканы электроникой и из-за наличия CAN шины НИ ЧЕГО просто так не поставишь!
Купил тут себе фаркоп, что бы прицеп не простаивал и решил проверить — действительно ли CAN на все это ругается?! Просто мне сказали в магазине, что для моего авто — при подключении фаркопа, нужен будет адаптер связи, стоимостью от4200 до 5900руб. Так как при стоимости еще фаркопа в 6000руб. меня это не устраивало. Решил проверить!
Проверил — ругается! Либо на некоторое ошибку выдает, либо вообще гасит штатные фонари.
Делать не чего, но тратиться не охото! Решил собрать своими руками. Дело то не сложное! Может покупной и на электронике собран, но смысл то один — управление линиями за счет низкоомного считывания. Поэтому, вытравив плату — собрал все на релюшках, с развязывающими диодами.
Так же, за счет обратной связи по проводам, управляющую массу пустил через прицеп, в резулбтате чего питание на розетке появляется только при подключенном прицепе!
А всю эту сборку засунул в корпус от сгоревшего блока розжига ксенона и вот что вышло… (фото)
Сей девайс сейчас стоит на авто и исправно работает!
sdenek вне форума   Вверх Ответить с цитированием
Пользователь сказал cпасибо:
Старый 27.10.2015, 21:40   #6
advokat86
Член клуба
Член клуба
 
Аватар для advokat86
 
Имя: Артем
Регистрация: 04.11.2014
Адрес: тюмень
Авто: New Duster Privilege 2.0 4WD МКПП6 ESP гбо brc, чип от SVV
Сообщений: 771
advokat86 advokat86
По умолчанию

sdenek, где же фото?
__________________
Представитель SVV в УРФО (Тюмень, Курган и Екатеринбург, Ирбит- по выходным)
телефон +7929269о3пять7
(активация БК на Ф2, часов, подсветки приборки, антиотката, автовключения з.дворника и т.д.)


Желающие на чип тюнинг записываемся заранее.https://vk.com/chiptuningsvv
advokat86 вне форума   Вверх Ответить с цитированием
Старый 28.10.2015, 00:04   #7
RuslanVa
Завсегдатай
 
Аватар для RuslanVa
 
Имя: Руслан
Регистрация: 23.08.2015
Адрес: Нижегородская обл.
Авто: Renault New Kaptur Edition One TCe 4x2 CVT X-Tronic 2020
Сообщений: 178
RuslanVa
По умолчанию

Цитата:
Сообщение от sdenek Посмотреть сообщение
*Модуль соглосования…

Ни кому не секрет, что Нки напичканы электроникой и из-за наличия CAN шины НИ ЧЕГО просто так не поставишь!
Купил тут себе фаркоп, что бы прицеп не простаивал и решил проверить — действительно ли CAN на все это ругается?! Просто мне сказали в магазине, что для моего авто — при подключении фаркопа, нужен будет адаптер связи, стоимостью от4200 до 5900руб. Так как при стоимости еще фаркопа в 6000руб. меня это не устраивало. Решил проверить!
Проверил — ругается! Либо на некоторое ошибку выдает, либо вообще гасит штатные фонари.
Делать не чего, но тратиться не охото! Решил собрать своими руками. Дело то не сложное! Может покупной и на электронике собран, но смысл то один — управление линиями за счет низкоомного считывания. Поэтому, вытравив плату — собрал все на релюшках, с развязывающими диодами.
Так же, за счет обратной связи по проводам, управляющую массу пустил через прицеп, в резулбтате чего питание на розетке появляется только при подключенном прицепе!
А всю эту сборку засунул в корпус от сгоревшего блока розжига ксенона и вот что вышло… (фото)
Сей девайс сейчас стоит на авто и исправно работает!

Интриган
Где схема? Где фото? Где видео работы, в конце концов?
RuslanVa вне форума   Вверх Ответить с цитированием
Старый 28.10.2015, 12:34   #8
devils
.
 
Имя: Сергей
Регистрация: 15.12.2013
Адрес: Там где +40*С в тени и -40*С на солнышке
Авто: 2л, 4х4 и 6 ступеней
Сообщений: 201
devils
По умолчанию

Поставьте на прицеп все светодиодные лампы и с вероятностью 99% обойдетесь без блока согласования.
devils вне форума   Вверх Ответить с цитированием
Старый 28.10.2015, 14:20   #9
aca300
Местный
 
Аватар для aca300
 
Имя: Антон
Регистрация: 25.08.2013
Адрес: Родина Первого Совета (Иваново)
Авто: Лада Vesta АМТ
Сообщений: 1,901
aca300 aca300 aca300 aca300 aca300
Отправить сообщение для aca300 с помощью Skype™
По умолчанию

Цитата:
Сообщение от devils Посмотреть сообщение
Поставьте на прицеп все светодиодные лампы и с вероятностью 99% обойдетесь без блока согласования.
Стоимость всех диодов намного ниже стоимости блока согласования? А то вдруг финансово не выгодно?
__________________
Я против ксенона...
aca300 вне форума   Вверх Ответить с цитированием
Старый 28.10.2015, 17:36   #10
Valera
Тюнинг
 
Аватар для Valera
 
Имя: Валерий
Регистрация: 12.12.2012
Адрес: Москва
Авто: Kia Ceed JD
Сообщений: 1,011
Valera Valera Valera Valera
По умолчанию

стоимость блока от 4000 р. Сколько на прицепе ламп? 4-5...
__________________
пересвет, активация БК(и на Ф2)часов, подсветки приборки, автовключения з.дворника,установка круиза (и даже без проводки), автосвет/ДХО, коррекция пробега Ф1;2, автозапирание, регул.пауза дворников(Ф1 и Ф2), "ленивые поворотники", подогревы и другие эл. поделки ;
диагностика Clip.
а также руль и р. кпп в Кожу)))
https://vk.com/club152397142
Valera вне форума   Вверх Ответить с цитированием
Старый 28.10.2015, 17:45   #11
west007
Член клуба
Член клуба
 
Аватар для west007
 
Имя: Константин
Регистрация: 05.09.2015
Адрес: Нижегородская обл. Саров
Авто: New Duster Luxe Privilege 2,0 4х4, МКПП6, ESP
Сообщений: 93
west007
По умолчанию

Цитата:
Сообщение от Valera Посмотреть сообщение
Сколько на прицепе ламп? 4-5...
минимум 7шт.
west007 вне форума   Вверх Ответить с цитированием
Старый 28.10.2015, 18:58   #12
Valera
Тюнинг
 
Аватар для Valera
 
Имя: Валерий
Регистрация: 12.12.2012
Адрес: Москва
Авто: Kia Ceed JD
Сообщений: 1,011
Valera Valera Valera Valera
По умолчанию

Цитата:
Сообщение от west007 Посмотреть сообщение
минимум 7шт.
пара передних порой катафоты...

стоимость лампы в среднем 200р. Далее...
__________________
пересвет, активация БК(и на Ф2)часов, подсветки приборки, автовключения з.дворника,установка круиза (и даже без проводки), автосвет/ДХО, коррекция пробега Ф1;2, автозапирание, регул.пауза дворников(Ф1 и Ф2), "ленивые поворотники", подогревы и другие эл. поделки ;
диагностика Clip.
а также руль и р. кпп в Кожу)))
https://vk.com/club152397142
Valera вне форума   Вверх Ответить с цитированием
Старый 29.10.2015, 18:35   #13
SMOG
Член клуба
Член клуба
 
Аватар для SMOG
 
Имя: Юрий
Регистрация: 02.11.2013
Адрес: Москва ВАО, Зеленоград
Авто: Duster EXP 2,0 4WD black
Сообщений: 68
SMOG
По умолчанию

Для нормальной работы задних огней при установке ТСУ на Дастер рестайл
022-007 Smart Connect CC 7 контактный (универсальный)(испания)
UniKIT2 Smart Connect (комплект электрики универсальный с блоком согласования) 7-р Baltex
Поисковики в помощь)
__________________
https://vk.com/proroad
SMOG вне форума   Вверх Ответить с цитированием
Старый 01.11.2015, 18:06   #14
sdenek
Новичок
 
Имя: Вадим
Регистрация: 11.10.2015
Адрес: Йошкар-Ола
Авто: DUSTER 2015 Expression dsi 1.5
Сообщений: 3
sdenek
По умолчанию

Разрешённые типы файлов: doc docx gif jpeg jpg pdf png txt zip
CAN обходчик.pdf (33.9 Кб)
IMG_20151029_181527.jpg (662.8 Кб)
IMG_20151029_181607.jpg (669.1 Кб)
IMG_20151031_131114.jpg (696.9 Кб)
IMG_20151031_131125.jpg (703.3 Кб)
IMG_20151031_153353.jpg (716.9 Кб)
Управление вложениями
Миниатюры
Нажмите на изображение для увеличения
Название: IMG_20151029_181527.jpg
Просмотров: 5786
Размер:	662.8 Кб
ID:	53780   Нажмите на изображение для увеличения
Название: IMG_20151029_181607.jpg
Просмотров: 5307
Размер:	669.1 Кб
ID:	53781   Нажмите на изображение для увеличения
Название: IMG_20151031_131114.jpg
Просмотров: 6081
Размер:	696.9 Кб
ID:	53782   Нажмите на изображение для увеличения
Название: IMG_20151031_131125.jpg
Просмотров: 5184
Размер:	703.3 Кб
ID:	53783   Нажмите на изображение для увеличения
Название: IMG_20151031_153353.jpg
Просмотров: 3371
Размер:	716.9 Кб
ID:	53784  

Вложения
Тип файла: pdf CAN обходчик.pdf (33.9 Кб, 1800 просмотров)
sdenek вне форума   Вверх Ответить с цитированием
2 пользователя(ей) сказали cпасибо:
Старый 01.11.2015, 20:01   #15
RuslanVa
Завсегдатай
 
Аватар для RuslanVa
 
Имя: Руслан
Регистрация: 23.08.2015
Адрес: Нижегородская обл.
Авто: Renault New Kaptur Edition One TCe 4x2 CVT X-Tronic 2020
Сообщений: 178
RuslanVa
По умолчанию

Цитата:
Сообщение от sdenek Посмотреть сообщение
Разрешённые типы файлов: doc docx gif jpeg jpg pdf png txt zip
CAN обходчик.pdf (33.9 Кб)
IMG_20151029_181527.jpg (662.8 Кб)
IMG_20151029_181607.jpg (669.1 Кб)
IMG_20151031_131114.jpg (696.9 Кб)
IMG_20151031_131125.jpg (703.3 Кб)
IMG_20151031_153353.jpg (716.9 Кб)
Управление вложениями
Четыре диода и четыре релюхи в коробке за 4000р!!! Жесть
Может лучше в Дом Пионеров сходить?
Дешевле спаяют
RuslanVa вне форума   Вверх Ответить с цитированием
Старый 01.11.2015, 22:37   #16
Monaxan
Новичок
 
Регистрация: 30.12.2013
Адрес: Волгоград
Сообщений: 3
Monaxan
По умолчанию

да-а-а, народ у нас башковитый
Monaxan вне форума   Вверх Ответить с цитированием
Старый 15.11.2015, 21:09   #17
denlbl
Член клуба
Член клуба
 
Имя: Денис
Регистрация: 01.07.2014
Адрес: Азов
Сообщений: 15
denlbl
По умолчанию

Цитата:
Сообщение от sdenek Посмотреть сообщение
*Модуль соглосования…
Поэтому, вытравив плату — собрал все на релюшках, с развязывающими диодами.
А точно плата травилась? Судя по 4-й фотке - похоже на прорезывание...
__________________
Дастер Люкс Привеледж 4х4 2.0 Белый лед ESP МКП
denlbl вне форума   Вверх Ответить с цитированием
Старый 17.11.2015, 15:15   #18
sdenek
Новичок
 
Имя: Вадим
Регистрация: 11.10.2015
Адрес: Йошкар-Ола
Авто: DUSTER 2015 Expression dsi 1.5
Сообщений: 3
sdenek
По умолчанию

да прорезал,травить долго
sdenek вне форума   Вверх Ответить с цитированием
Старый 19.01.2016, 14:28   #19
Nursultan
Новичок
 
Имя: Ибрагим
Регистрация: 19.11.2015
Адрес: Новосибирск
Сообщений: 2
Nursultan
По умолчанию

Всем привет, а кто-нибудь еще ставил фаркоп на рестайл?Пока купил только сам фаркоп (без электрики) планирую на выходных поставить.
А вот вопрос по электрике стоит остро. Колхозить особо ничего не охота, тем более собирать рассыпухой из реле (и обматывать их шумкой, как где-то тут вычитал).
Звонил официалам за 7000 предлагают комплект проводки для рестайл, но как всегда менеджер не смог ответить что идет в комплекте. Просто провода или есть модуль согласования.
Может кто покупал официальные провода к рестайл (номер 8201613380)? Расскажите что там в комплекте? Может инструкцию сможете выложить.
Спасибо.
PS Также официалы подтвердили, что подключение к фарам напрямую не только противопоказано, но и может привести к выходу из строя всей световой техники. Будьте аккуратней.

Последний раз редактировалось Nursultan; 19.01.2016 в 14:53.
Nursultan вне форума   Вверх Ответить с цитированием
Пользователь сказал cпасибо:
Старый 20.01.2016, 14:41   #20
advokat86
Член клуба
Член клуба
 
Аватар для advokat86
 
Имя: Артем
Регистрация: 04.11.2014
Адрес: тюмень
Авто: New Duster Privilege 2.0 4WD МКПП6 ESP гбо brc, чип от SVV
Сообщений: 771
advokat86 advokat86
По умолчанию

Официально редко что то могут сказать, обычно деньги только берут.
__________________
Представитель SVV в УРФО (Тюмень, Курган и Екатеринбург, Ирбит- по выходным)
телефон +7929269о3пять7
(активация БК на Ф2, часов, подсветки приборки, антиотката, автовключения з.дворника и т.д.)


Желающие на чип тюнинг записываемся заранее.https://vk.com/chiptuningsvv
advokat86 вне форума   Вверх Ответить с цитированием
Ответ


Ваши права в разделе
Вы не можете создавать новые темы
Вы не можете отвечать в темах
Вы не можете прикреплять вложения
Вы не можете редактировать свои сообщения

BB коды Вкл.
Смайлы Вкл.
[IMG] код Вкл.
HTML код Выкл.

Быстрый переход


Текущее время: 06:38. Часовой пояс GMT +3.
Powered by vBulletin® Version 3.8.7
Copyright ©2000 - 2025, vBulletin Solutions, Inc. Перевод: zCarot
vB.Sponsors

Яндекс.Метрика