Форум Клуба Рено Дастер / Renault Duster Club

Форум Клуба Рено Дастер / Renault Duster Club (http://duster-clubs.ru/forum/index.php)
-   Электрика (http://duster-clubs.ru/forum/forumdisplay.php?f=12)
-   -   Установка фаркопа на РЕСТАЙЛИНГ (http://duster-clubs.ru/forum/showthread.php?t=5374)

Koles72ru 05.10.2015 21:00

Установка фаркопа на РЕСТАЙЛИНГ
 
Вложений: 2
Рено дастер 2015 г.поставил фаркоп,подключил по схеме,в итоге-задние габариты горят только когда телегу подцепляю,а так горит только диодная полоска.кто ставил сам?или может кто знает почему так?


************************************************** *********

Установка фаркопа на рестайл без смарт-коннекта (или его еще называют блок согласования) грозит появлением ошибок электронных систем с появлением оранжевого значка "пила" на приборной панели. Штатная электрика может и не сгорит, но можно остаться без стопов от сгоревшего предохранителя. На фотке представлены ошибки от установки фаркопа без этого переходника.


http://duster-clubs.ru/forum/attachm...0&d=1486103140

Схема подключения:
http://duster-clubs.ru/forum/attachm...8&d=1553624056
Для чего это нужно

Не реклама и не призыв покупать то, что там указано. СТАТЬЯ ПРИВЕДЕНА ТОЛЬКО ДЛЯ ОЗНАКОМЛЕНИЯ С ПРОБЛЕМОЙ

Skipper-Влад 05.10.2015 21:09

Koles72ru, Duster рестайлинговый? Задняя оптика обновленная? Такая?
http://www.njcar.ru/upload/iblock/152/020615_14.jpg
Подключали по какой схеме? Скан схемы можете выложить?

advokat86 05.10.2015 21:10

Koles72ru, рестаил?

Valera 05.10.2015 22:30

Цитата:

Сообщение от Koles72ru (Сообщение 354496)
Рено дастер 2015 г.поставил фаркоп,подключил по схеме,в итоге-задние габариты горят только когда телегу подцепляю,а так горит только диодная полоска.кто ставил сам?или может кто знает почему так?

блок согласования на машине установили? если нет-то отчего?
машина CAN-шинная же уже. ставьте на телеге светодиодные лампы, если хотите минимальными потерями обойтись.

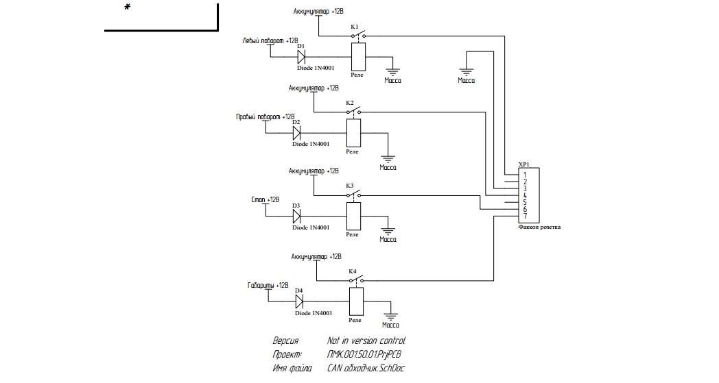
sdenek 27.10.2015 21:04

*Модуль соглосования…

Ни кому не секрет, что Нки напичканы электроникой и из-за наличия CAN шины НИ ЧЕГО просто так не поставишь!
Купил тут себе фаркоп, что бы прицеп не простаивал и решил проверить — действительно ли CAN на все это ругается?! Просто мне сказали в магазине, что для моего авто — при подключении фаркопа, нужен будет адаптер связи, стоимостью от4200 до 5900руб. Так как при стоимости еще фаркопа в 6000руб. меня это не устраивало. Решил проверить!
Проверил — ругается! Либо на некоторое ошибку выдает, либо вообще гасит штатные фонари.
Делать не чего, но тратиться не охото! Решил собрать своими руками. Дело то не сложное! Может покупной и на электронике собран, но смысл то один — управление линиями за счет низкоомного считывания. Поэтому, вытравив плату — собрал все на релюшках, с развязывающими диодами.
Так же, за счет обратной связи по проводам, управляющую массу пустил через прицеп, в резулбтате чего питание на розетке появляется только при подключенном прицепе!
А всю эту сборку засунул в корпус от сгоревшего блока розжига ксенона и вот что вышло… (фото)
Сей девайс сейчас стоит на авто и исправно работает!

advokat86 27.10.2015 21:40

sdenek, где же фото?

RuslanVa 28.10.2015 00:04

Цитата:

Сообщение от sdenek (Сообщение 361227)
*Модуль соглосования…

Ни кому не секрет, что Нки напичканы электроникой и из-за наличия CAN шины НИ ЧЕГО просто так не поставишь!
Купил тут себе фаркоп, что бы прицеп не простаивал и решил проверить — действительно ли CAN на все это ругается?! Просто мне сказали в магазине, что для моего авто — при подключении фаркопа, нужен будет адаптер связи, стоимостью от4200 до 5900руб. Так как при стоимости еще фаркопа в 6000руб. меня это не устраивало. Решил проверить!
Проверил — ругается! Либо на некоторое ошибку выдает, либо вообще гасит штатные фонари.
Делать не чего, но тратиться не охото! Решил собрать своими руками. Дело то не сложное! Может покупной и на электронике собран, но смысл то один — управление линиями за счет низкоомного считывания. Поэтому, вытравив плату — собрал все на релюшках, с развязывающими диодами.
Так же, за счет обратной связи по проводам, управляющую массу пустил через прицеп, в резулбтате чего питание на розетке появляется только при подключенном прицепе!
А всю эту сборку засунул в корпус от сгоревшего блока розжига ксенона и вот что вышло… (фото)
Сей девайс сейчас стоит на авто и исправно работает!


Интриган:)
Где схема? Где фото? Где видео работы, в конце концов?

devils 28.10.2015 12:34

Поставьте на прицеп все светодиодные лампы и с вероятностью 99% обойдетесь без блока согласования.

aca300 28.10.2015 14:20

Цитата:

Сообщение от devils (Сообщение 361404)
Поставьте на прицеп все светодиодные лампы и с вероятностью 99% обойдетесь без блока согласования.

Стоимость всех диодов намного ниже стоимости блока согласования? А то вдруг финансово не выгодно?:drinks:

Valera 28.10.2015 17:36

стоимость блока от 4000 р. Сколько на прицепе ламп? 4-5...

west007 28.10.2015 17:45

Цитата:

Сообщение от Valera (Сообщение 361482)
Сколько на прицепе ламп? 4-5...

минимум 7шт.

Valera 28.10.2015 18:58

Цитата:

Сообщение от west007 (Сообщение 361486)
минимум 7шт.

пара передних порой катафоты...

стоимость лампы в среднем 200р. Далее...

SMOG 29.10.2015 18:35

Для нормальной работы задних огней при установке ТСУ на Дастер рестайл
022-007 Smart Connect CC 7 контактный (универсальный)(испания)
UniKIT2 Smart Connect (комплект электрики универсальный с блоком согласования) 7-р Baltex
Поисковики в помощь)

sdenek 01.11.2015 18:06

Вложений: 6
Разрешённые типы файлов: doc docx gif jpeg jpg pdf png txt zip
CAN обходчик.pdf (33.9 Кб)
IMG_20151029_181527.jpg (662.8 Кб)
IMG_20151029_181607.jpg (669.1 Кб)
IMG_20151031_131114.jpg (696.9 Кб)
IMG_20151031_131125.jpg (703.3 Кб)
IMG_20151031_153353.jpg (716.9 Кб)
Управление вложениями

RuslanVa 01.11.2015 20:01

Цитата:

Сообщение от sdenek (Сообщение 362411)
Разрешённые типы файлов: doc docx gif jpeg jpg pdf png txt zip
CAN обходчик.pdf (33.9 Кб)
IMG_20151029_181527.jpg (662.8 Кб)
IMG_20151029_181607.jpg (669.1 Кб)
IMG_20151031_131114.jpg (696.9 Кб)
IMG_20151031_131125.jpg (703.3 Кб)
IMG_20151031_153353.jpg (716.9 Кб)
Управление вложениями

Четыре диода и четыре релюхи в коробке за 4000р!!! Жесть
Может лучше в Дом Пионеров сходить?
Дешевле спаяют :)

Monaxan 01.11.2015 22:37

да-а-а, народ у нас башковитый :friends:

denlbl 15.11.2015 21:09

Цитата:

Сообщение от sdenek (Сообщение 361227)
*Модуль соглосования…
Поэтому, вытравив плату — собрал все на релюшках, с развязывающими диодами.

А точно плата травилась? Судя по 4-й фотке - похоже на прорезывание...

sdenek 17.11.2015 15:15

да прорезал,травить долго

Nursultan 19.01.2016 14:28

Всем привет, а кто-нибудь еще ставил фаркоп на рестайл?Пока купил только сам фаркоп (без электрики) планирую на выходных поставить.
А вот вопрос по электрике стоит остро. Колхозить особо ничего не охота, тем более собирать рассыпухой из реле (и обматывать их шумкой, как где-то тут вычитал).
Звонил официалам за 7000 предлагают комплект проводки для рестайл, но как всегда менеджер не смог ответить что идет в комплекте. Просто провода или есть модуль согласования.
Может кто покупал официальные провода к рестайл (номер 8201613380)? Расскажите что там в комплекте? Может инструкцию сможете выложить.
Спасибо.
PS Также официалы подтвердили, что подключение к фарам напрямую не только противопоказано, но и может привести к выходу из строя всей световой техники. Будьте аккуратней.

advokat86 20.01.2016 14:41

Официально редко что то могут сказать, обычно деньги только берут.


Текущее время: 21:14. Часовой пояс GMT +3.

Powered by vBulletin® Version 3.8.7
Copyright ©2000 - 2025, vBulletin Solutions, Inc. Перевод: zCarot
vB.Sponsors