Вернуться на главную

Вернуться   Форум Клуба Рено Дастер / Renault Duster Club > Техническая информация Рено Дастер > Электрооборудование и оптика > Электрика

Важная информация


Ответ
 
Опции темы Поиск в этой теме Опции просмотра
Старый 18.01.2015, 13:15   #1
СЛАВА 16
Новичок
 
Имя: Слава
Регистрация: 18.07.2014
Адрес: Бугульма
Авто: Privilege 2.0 4x4 АКП4 (135 л.с.
Сообщений: 4
СЛАВА 16
Question Распиновка кнопки заднего ЭСП на Duster Luxe Privilege

Уважаемые владельцы Luxe Privilege, кто может и у кого есть возможность, посмотрите пожалуйста распиновку кнопки заднего ЭСП, на какой контакт какого цвета приходит провод. На всех схемах показано цифровое обозначение, на моей кнопке буквенно-цифровое.
Можно и фото Вашей кнопки где видно какие провода куда подходят.
Миниатюры
Нажмите на изображение для увеличения
Название: IMG_0581.JPG
Просмотров: 2660
Размер:	971.4 Кб
ID:	40979  

Последний раз редактировалось dg972; 04.02.2015 в 18:33. Причина: уточнил название темы
СЛАВА 16 вне форума   Вверх Ответить с цитированием
Это может быть интересно
Старый 18.01.2015, 14:50   #2
сова
Член клуба
Член клуба
 
Аватар для сова
 
Имя: Юрий
Регистрация: 21.12.2013
Адрес: Новая Москва
Сообщений: 304
сова сова
По умолчанию

Цитата:
Сообщение от СЛАВА 16 Посмотреть сообщение
Уважаемые владельцы Luxe Privilege, кто может и у кого есть возможность, посмотрите пожалуйста распиновку кнопки заднего ЭСП, на какой контакт какого цвета приходит провод. На всех схемах показано цифровое обозначение, на моей кнопке буквенно-цифровое. Можно и фото Вашей кнопки где видно какие провода куда подходят.
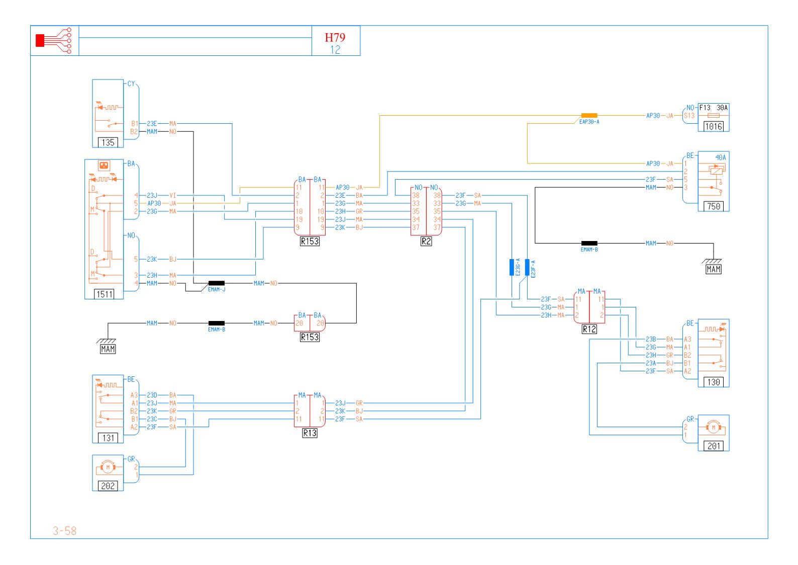
Такая картинка подойдет? Кнопки передние и задние одинаковые.
Нажмите здесь, чтобы увидеть весь текст


Вот правильная схема задних стеклоподъемников.
Нажмите здесь, чтобы увидеть весь текст
Миниатюры
Нажмите на изображение для увеличения
Название: Кнопки стеклоподъемников.jpg
Просмотров: 5315
Размер:	183.7 Кб
ID:	40980   Нажмите на изображение для увеличения
Название: 0058_A3-1.jpg
Просмотров: 4654
Размер:	126.7 Кб
ID:	40981  
сова вне форума   Вверх Ответить с цитированием
4 пользователя(ей) сказали cпасибо:
Старый 18.01.2015, 14:59   #3
СЛАВА 16
Новичок
 
Имя: Слава
Регистрация: 18.07.2014
Адрес: Бугульма
Авто: Privilege 2.0 4x4 АКП4 (135 л.с.
Сообщений: 4
СЛАВА 16
По умолчанию

Спасибо, буду пробовать
СЛАВА 16 вне форума   Вверх Ответить с цитированием
Старый 26.01.2015, 22:29   #4
dg972
Член клуба
Член клуба
 
Аватар для dg972
 
Имя: Дмитрий
Регистрация: 23.12.2012
Адрес: Москва
Авто: Privilege 4x4 2.0 МКП6. Чип АДАКТ. Коричневый орехх. 2012 гр.
Сообщений: 17,178
dg972 dg972 dg972 dg972 dg972 dg972 dg972 dg972 dg972 dg972 dg972
По умолчанию

Цитата:
Сообщение от сова Посмотреть сообщение
Вот правильная схема задних стеклоподъемников.
У нас нет 750-ой позиции.
__________________
"во время войны нельзя говорить плохо о своих, НИКОГДА" ©

Кто понял жизнь тот больше не спешит,
смакует каждый миг и наблюдает.

Мой бортовой журнал. Новое сообщение.
....
dg972 вне форума   Вверх Ответить с цитированием
Старый 26.01.2015, 22:42   #5
сова
Член клуба
Член клуба
 
Аватар для сова
 
Имя: Юрий
Регистрация: 21.12.2013
Адрес: Новая Москва
Сообщений: 304
сова сова
По умолчанию

Цитата:
Сообщение от dg972 Посмотреть сообщение
У нас нет 750-ой позиции.
Ну да, у нас без реле, напрямую. Я в общем-то хотел сказать, что кнопки правильно показаны.
сова вне форума   Вверх Ответить с цитированием
Пользователь сказал cпасибо:
Ответ


Ваши права в разделе
Вы не можете создавать новые темы
Вы не можете отвечать в темах
Вы не можете прикреплять вложения
Вы не можете редактировать свои сообщения

BB коды Вкл.
Смайлы Вкл.
[IMG] код Вкл.
HTML код Выкл.

Быстрый переход


Текущее время: 18:05. Часовой пояс GMT +3.
Powered by vBulletin® Version 3.8.7
Copyright ©2000 - 2025, vBulletin Solutions, Inc. Перевод: zCarot
vB.Sponsors

Яндекс.Метрика