Вернуться на главную

Вернуться   Форум Клуба Рено Дастер / Renault Duster Club > Техническая информация Рено Дастер > Мультимедиа и навигация

Важная информация


Ответ
 
Опции темы Поиск в этой теме Опции просмотра
Старый 16.12.2012, 01:27   #1
dg972
Член клуба
Член клуба
 
Аватар для dg972
 
Имя: Дмитрий
Регистрация: 23.12.2012
Адрес: Москва
Авто: Privilege 4x4 2.0 МКП6. Чип АДАКТ. Коричневый орехх. 2012 гр.
Сообщений: 17,178
dg972 dg972 dg972 dg972 dg972 dg972 dg972 dg972 dg972 dg972 dg972
По умолчанию Штатная магнитола DAEWOO AGS-0060PF. (Аудиосистема без навигации.)

DAEWOO AGS-0060PF. 281157299R


Фото

Инструкция на штатную аудиосистему: Duster_audio_manual_280513.pdf
Прошивка аудиосистемы "185": Renault_20111023_00185.zip
Прошивка аудиосистемы "199"
Номер прошивки можно узнать нажав одновременно клавиши AST и 5 или
нажать одновременно клавиши "радио" и 5 на новых машинах. Номер прошивки появится в правом верхнем углу экрана.

Особенности прошивки 199 Обсуждение.
Нет звука на радио после прошивки (при этом со всех остальных источников работает нормально)
Служебное МЕНЮ 199-ой.
Как подключить к аудиосистеме телефон по Bluetooth. Видео.
Видео тут.

Или тут.

Разблокировка магнитолы на автомобилях Renault. Видео



Если, при чтении с флешки, названия песен отображаются псевдосимволами (крякозябрами) содержимое следует прогнать на компе через программу MP3Tag.
1. Скачиваем программу MP3Tag (она на русском и всего 3 мегабайта).
2. Вставляем флешку, нажимаем Файл->Сменить папку, выбираю флешку.
3. В меню Настройки выбираем формат сохранения: Теги->MPEG->Сохранять ставим отметку напротив ID3 v2.3 UTF-16.
4. Потом выделяем все файлы (Control+A), и нажимаю Сохранить.
После этого теги во всей музыке с флешки - по-русски! Тоже самое можно сделать перед записью CD.
НЕ путать с телефонной книгой.


Автомагнитола позволяет прослушивать радиостанции и проигрывать аудиодиски CD и MP3, форматы МР3, WMA, AAC и WAV. Магнитола читает перезаписываемые диски ( CD-RW ), а также читает карты SD через внешний картридер.
Магическое число 999 или ограничения аудиосистемы.
Магнитола начинает воспроизведение флешки с одно и того же трека.

Конвертер аудиоформатов.
Как узнать секретный код аудиосистемы.
Как узнать секретный код аудиосистемы.
Вероятная замена от maslovyu.
Замена от Кубик.
Флешка не читается.
Фон в динамиках.
Плохой прием радио из-за адаптеров гаджетов.
Перегорает предохранитель магнитолы
С не давнего времени магнитола начала воспроизводить с флешки одну последнюю в списке композицию.
Пропало звуковое сопровождение маршрута у навигатора-приложения на телефоне, при подключении к магнитоле по блютузу.
Поменял передние динамики.
Технические изыскания Rinatma
Переходник для магнитолы.
Подключение штатного микрофона.
Фонит радио при работе регистратора или ДХО.
Линейный выход. Откуда взять сигнал?
Линейные выходы в штатной магнитоле Дастера
Линейные выходы в штатной магнитоле Дастера от madmaxxx73
Линейные выходы в штатной магнитоле Дастера от doneAlexandro
Неисправность:
Магнитола не включается автоматически при включении зажигания, только с кнопки. На заведенном моторе работает 10 минут и отключается.
Решение:
Перегорел предохранитель прикуривателя, он же идет на магнитолу. F38 15A.


Предохранители аудиосистемы
Штатную магнитолу питают три предохранителя:

F28 15A - Предохранитель отключения потребителей электроэнергии
- аудиосистемы (261) (питание, +12V до замка зажигания)
- щитка приборов (247)
- ЦЭКБС (645)
- фонаря освещения багажного отделения (165)

F38 15А - Предохранитель аудиосистемы (261) (+12V после замка зажигания)
- прикуривателя первого ряда сидений (101)

F19 10A - подсветка магнитолы, (от габаритов).

"Новый" мафон со старой проблемой. Прошивка T2024. Эти аудиосистемы НЕЛЬЗЯ перепрошивать на 199 версию. Возможен летальный исход.

Прошивка V2030 для "новых" магнитол с версией Т2024, возможно и для 2023, с исправлением кракозябр.

Реанимация аудиосистемы от Koreshok
Для тех, у кого реанимация магнитолы после неудачного "наката" V0199 на Т2024 не увенчалась успехом.
1. Берем файл прошивки Renault_A2130902_V0199.cab
2. Переименовываем его в Renault_A2130902_T2024.cab
3. Вставляем ключ в замок зажигания, но не поворачиваем его (положение St)
4. Вставляем флешку с переименованной прошивкой в USB
5. При нажатых кнопках RADIO+FF 2 раза (!!) нажимаем кнопку включения магнитолы.
6. Начинается процесс загрузки прошивки. По окончании загрузки появляется надпись: "UPGRADING TO T2024 COMPLETE!"
7. Вытаскиваем флешку, через 2 сек. магнитола выключается.
8. Лезем в блок предохранителей и вытаскиваем предохранители 28 и 38. Ждем минуты 2, примерно.
9. Вставляем предохранители на место: сначала 28, затем 38 (может последовательность и не имеет значения, но я вставлял так).
10. Включаем зажигание и если магнитола не включилась сама, включаем ее самостоятельно.
11. Вводим запрашиваемый PIN код и радуемся воскресшей магнитолой.

P. S. После проведенных мероприятий устройство ожило, настройки радиостанций и соединения с телефоном не сбились, но "кракозябры" остались.

Как включается функция прослушивания музыки в случайном порядке?
Как расшифровывается AF и ТА
Как включить информирование о трафике.
При проигрывании музыки с телефона по блютуз - кнопками магнитолы треки переключаются ?
Схема подрулевого джойстика




Спасибо сова

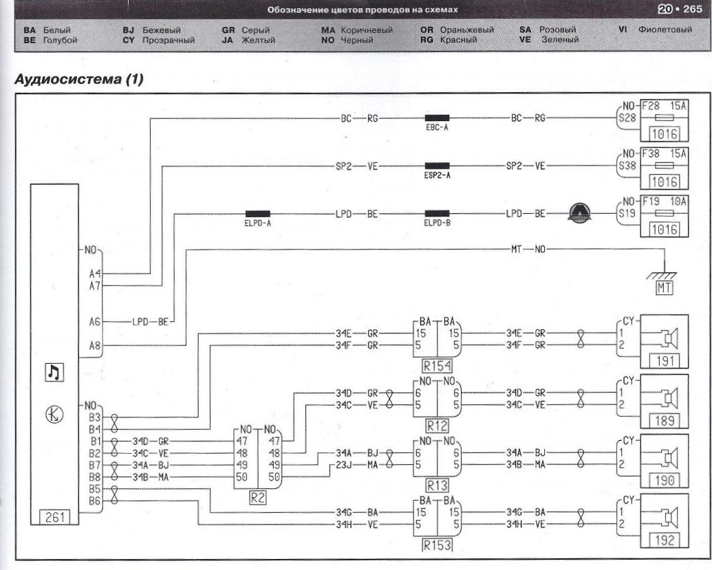
Схема подключения магнитолы.



Нажмите здесь, чтобы увидеть весь текст



Ток аудиосистемы по зеленому проводу - 5,6 mA.

Замеры проводил при разной громкости и от разных источников.



Рамка и переходники для НЕ штатной магнитолы.

Как снять решетку динамика.

Как снять магнитолу.

ATTENTION! Звук от телефона воспроизводиться только через передние динамики!
То есть, если "Затухание" выкрутить на задние, то остаёмся без Handsfree...


Магнитола Рено Дастер: плюсы и минусы
Миниатюры
Нажмите на изображение для увеличения
Название: Схема подключения мафона.jpg
Просмотров: 60645
Размер:	113.6 Кб
ID:	45082   Нажмите на изображение для увеличения
Название: Пер лев_202606.jpg
Просмотров: 3230
Размер:	176.6 Кб
ID:	72092   Нажмите на изображение для увеличения
Название: Пер лев_202629.jpg
Просмотров: 3152
Размер:	132.8 Кб
ID:	72093   Нажмите на изображение для увеличения
Название: Пер лев_202644.jpg
Просмотров: 3080
Размер:	73.3 Кб
ID:	72094  
__________________
"во время войны нельзя говорить плохо о своих, НИКОГДА" ©

Кто понял жизнь тот больше не спешит,
смакует каждый миг и наблюдает.

Мой бортовой журнал. Новое сообщение.
....

Последний раз редактировалось dg972; 01.09.2017 в 16:53.
dg972 вне форума   Вверх Ответить с цитированием
Это может быть интересно
Старый 16.12.2012, 01:29   #2
Yakov163
Поклонник DUSTERa
Член клуба
 
Аватар для Yakov163
 
Имя: Яша
Регистрация: 11.12.2012
Адрес: Тольятти
Авто: Продал 26.10.2015. Рено дастер Expression 1.6 4*2 цвет серая платина
Сообщений: 1,736
Yakov163 Yakov163 Yakov163 Yakov163 Yakov163
По умолчанию

Ооо я сегодня только звук прибавил и убавил )))).
Yakov163 вне форума   Вверх Ответить с цитированием
5 пользователя(ей) сказали cпасибо:
Старый 16.12.2012, 06:46   #3
Ky6uk
Совет клуба
 
Аватар для Ky6uk
 
Имя: Игорь
Регистрация: 08.12.2012
Адрес: г.Москва
Авто: GAC GS8 2023г
Сообщений: 9,922
Ky6uk Ky6uk Ky6uk Ky6uk Ky6uk Ky6uk Ky6uk Ky6uk Ky6uk Ky6uk Ky6uk
По умолчанию

Балалайка это, а не магнитола...Звук тихий...
Заказал себе нормальную с кЕтая... кино буду смотреть, навигатор есть... играет громко... сенсорная.... и стоит 13000 руб
Осталось ждать не долго, уже в пути
__________________
АВТОСЕРВИС RENAULT и не только...
https://logan-garage-msk.ru/
ул. 3-е Почтовое отделение, д.98Ас2 / 2 этаж /
Заезд с ул.Маршала Полубоярова
----------------
+7 985 912 68 06 +7 929 536 26 00
Ky6uk вне форума   Вверх Ответить с цитированием
9 пользователя(ей) сказали cпасибо:
Старый 16.12.2012, 10:25   #4
БИг-64
Модератор раздела
Член клуба
 
Аватар для БИг-64
 
Имя: Игорь
Регистрация: 09.12.2012
Адрес: Нарния
Авто: Hyundai CRETA 4x4 и Hyundai CRETA 4x2
Сообщений: 5,419
БИг-64 БИг-64 БИг-64 БИг-64 БИг-64 БИг-64 БИг-64 БИг-64 БИг-64 БИг-64 БИг-64
По умолчанию

А меня штатная устраивает полностью. Заменил только передние динамики на пионееровские трехполосники.
__________________
"Мы - русские, с нами пох!"
БИг-64 вне форума   Вверх Ответить с цитированием
10 пользователя(ей) сказали cпасибо:
Старый 16.12.2012, 10:37   #5
Arrant Brick
Член клуба
Член клуба
 
Аватар для Arrant Brick
 
Имя: Александр
Регистрация: 13.12.2012
Адрес: Тула
Авто: Ваз 2101, Duster 1,6 4x4 priv.
Сообщений: 53
Arrant Brick
По умолчанию

Цитата:
Сообщение от Ky6uk Посмотреть сообщение
Балалайка это, а не магнитола...Звук тихий...
Заказал себе нормальную с кЕтая... кино буду смотреть, навигатор есть... играет громко... сенсорная.... и стоит 13000 руб
Осталось ждать не долго, уже в пути
Навигатор туда добавить это гуд, можно и кино. Такую бы туда сразу поставить.

Последний раз редактировалось Arrant Brick; 16.12.2012 в 10:44.
Arrant Brick вне форума   Вверх Ответить с цитированием
2 пользователя(ей) сказали cпасибо:
Старый 16.12.2012, 10:41   #6
More
Супер-модератор
Член клуба
 
Аватар для More
 
Имя: Андрей
Регистрация: 14.12.2012
Адрес: В дебрях Смоленщины
Авто: НИВА Travel '22 "Барышня крестьянка" & ВАЗ-21061 '94 "Шура"
Сообщений: 33,259
More More More More More More More More More More More
По умолчанию

Цитата:
Сообщение от БИг-64 Посмотреть сообщение
А меня штатная устраивает полностью.
Меня тоже устраивает. Но динамики надо менять, это факт.
More вне форума   Вверх Ответить с цитированием
4 пользователя(ей) сказали cпасибо:
Старый 16.12.2012, 10:47   #7
МЕДВЕЖ
Супер-модератор
Член клуба
 
Аватар для МЕДВЕЖ
 
Имя: Андрей
Регистрация: 14.12.2012
Адрес: РОССИЯ
Авто: Renault Duster Privilege 2,0 4х4-ТАРЗАН.
Сообщений: 7,468
МЕДВЕЖ МЕДВЕЖ МЕДВЕЖ МЕДВЕЖ МЕДВЕЖ МЕДВЕЖ МЕДВЕЖ МЕДВЕЖ МЕДВЕЖ МЕДВЕЖ МЕДВЕЖ
По умолчанию

Я хочу поствить в дополнение пищалки бочки KICX. Стояли у меня на Сандерике.
__________________
Мужчину должны украшать три вещи: порядочность, характер и поступки, а не дешевые понты, завышенная самооценка и длинный язык.

КОПИЛКА ССЫЛОК В ПОМОЩЬ
МЕДВЕЖ вне форума   Вверх Ответить с цитированием
Пользователь сказал cпасибо:
Старый 16.12.2012, 10:58   #8
БИг-64
Модератор раздела
Член клуба
 
Аватар для БИг-64
 
Имя: Игорь
Регистрация: 09.12.2012
Адрес: Нарния
Авто: Hyundai CRETA 4x4 и Hyundai CRETA 4x2
Сообщений: 5,419
БИг-64 БИг-64 БИг-64 БИг-64 БИг-64 БИг-64 БИг-64 БИг-64 БИг-64 БИг-64 БИг-64
По умолчанию

МЕДВЕЖ, Пищалки прекрасно устанавливаются в дверную облицовку зеркал для комплектиций с электрорегулировкой. Там имеется как-будто специальное место.
__________________
"Мы - русские, с нами пох!"
БИг-64 вне форума   Вверх Ответить с цитированием
7 пользователя(ей) сказали cпасибо:
Старый 16.12.2012, 11:02   #9
Yakov163
Поклонник DUSTERa
Член клуба
 
Аватар для Yakov163
 
Имя: Яша
Регистрация: 11.12.2012
Адрес: Тольятти
Авто: Продал 26.10.2015. Рено дастер Expression 1.6 4*2 цвет серая платина
Сообщений: 1,736
Yakov163 Yakov163 Yakov163 Yakov163 Yakov163
По умолчанию

Мне тоже в полне устраивает, главное чтобы радио было и флешку втыкать, да еще и подключить можно мобилку, ну насчет динамики мне время покажет.
Yakov163 вне форума   Вверх Ответить с цитированием
3 пользователя(ей) сказали cпасибо:
Старый 16.12.2012, 11:05   #10
МЕДВЕЖ
Супер-модератор
Член клуба
 
Аватар для МЕДВЕЖ
 
Имя: Андрей
Регистрация: 14.12.2012
Адрес: РОССИЯ
Авто: Renault Duster Privilege 2,0 4х4-ТАРЗАН.
Сообщений: 7,468
МЕДВЕЖ МЕДВЕЖ МЕДВЕЖ МЕДВЕЖ МЕДВЕЖ МЕДВЕЖ МЕДВЕЖ МЕДВЕЖ МЕДВЕЖ МЕДВЕЖ МЕДВЕЖ
По умолчанию

Цитата:
Сообщение от БИг-64 Посмотреть сообщение
МЕДВЕЖ, Пищалки прекрасно устанавливаются в дверную облицовку зеркал для комплектиций с электрорегулировкой. Там имеется как-будто специальное место.
Спасибо. У меня на сандерике там стояли. Очень удобно.
__________________
Мужчину должны украшать три вещи: порядочность, характер и поступки, а не дешевые понты, завышенная самооценка и длинный язык.

КОПИЛКА ССЫЛОК В ПОМОЩЬ
МЕДВЕЖ вне форума   Вверх Ответить с цитированием
Пользователь сказал cпасибо:
Старый 18.12.2012, 13:42   #11
Альберт
Член клуба
Член клуба
 
Аватар для Альберт
 
Имя: Альберт
Регистрация: 10.12.2012
Адрес: Раменское
Авто: DUSTER Privilege 4x4 2.0
Сообщений: 475
Альберт Альберт Альберт
По умолчанию

Кто знает рапиновку контактов на магнитоле?
__________________

Пусть доллары и евро успокоят нервы
Альберт вне форума   Вверх Ответить с цитированием
Старый 19.12.2012, 06:58   #12
Oloff
Новичок
 
Аватар для Oloff
 
Имя: Виктор
Регистрация: 19.12.2012
Адрес: Сургут
Сообщений: 44
Oloff
По умолчанию

Всем привет Ну когда же, когда же начнутся вопросы типа "А чо у меня телефонная книга кракозябрами показывается, чо флешка глючит????"

---------- Сообщение добавлено в 06:57 ---------- Предыдущее сообщение размещено в 06:51 ----------

Цитата:
Сообщение от Ky6uk Посмотреть сообщение
Балалайка это, а не магнитола...Звук тихий...
Заказал себе нормальную с кЕтая... кино буду смотреть, навигатор есть... играет громко... сенсорная.... и стоит 13000 руб
Осталось ждать не долго, уже в пути
Кубик, а что за аппарат? Покажи.

---------- Сообщение добавлено в 07:58 ---------- Предыдущее сообщение размещено в 06:57 ----------

Народ, кто-нибудь знает что-нибудь про устранение кракозябров в телефонной книге, а то как-то всё затихло.
__________________

Oloff вне форума   Вверх Ответить с цитированием
2 пользователя(ей) сказали cпасибо:
Старый 19.12.2012, 08:11   #13
KepUlitka
Новичок
 
Имя: Игорь
Регистрация: 19.12.2012
Авто: Рено Дастер, 2,0 - 4х4
Сообщений: 5
KepUlitka
По умолчанию

Вчера пришло сообщение от ОД: "В продаже ООО "Автофорум-Богородск" появился новый автомобильный мультимедийный центр на Renault Duster фирмы "NaviPilot".
Кто про такое еще слышал?
KepUlitka вне форума   Вверх Ответить с цитированием
2 пользователя(ей) сказали cпасибо:
Старый 19.12.2012, 08:17   #14
maslovyu
Администратор
Член клуба
 
Аватар для maslovyu
 
Регистрация: 05.01.2013
Адрес: Москва
Авто: Privilege 1.5 4х4
Сообщений: 20,021
maslovyu maslovyu maslovyu maslovyu maslovyu maslovyu maslovyu maslovyu maslovyu maslovyu maslovyu
По умолчанию

вот такая штука - http://www.navipilot.ru/navipilot_re...dows-ce-detail - некоторые дилеры давно предлагают. кстати, какова цена вопроса ? ~ 35000р ?

маловероятно, но может и такое - http://www.navipilot.ru/navipilot_re...android-detail
maslovyu на форуме   Вверх Ответить с цитированием
2 пользователя(ей) сказали cпасибо:
Старый 19.12.2012, 08:20   #15
Джити
Супер-модератор
Член клуба
 
Аватар для Джити
 
Имя: Тим
Регистрация: 19.12.2012
Адрес: Королёв
Авто: Duster 2.0 4x4 MT Privilege
Сообщений: 3,139
Джити Джити Джити Джити Джити Джити Джити Джити
По умолчанию

Меня магнитола устраивает. Всякими мультимедийными системами решил не заморачиваться, т.к. ее расположение в таком месте на мой взгляд неудобно и заставит чаще отвлекаться от дороги.
Джити вне форума   Вверх Ответить с цитированием
6 пользователя(ей) сказали cпасибо:
Старый 19.12.2012, 08:31   #16
Ky6uk
Совет клуба
 
Аватар для Ky6uk
 
Имя: Игорь
Регистрация: 08.12.2012
Адрес: г.Москва
Авто: GAC GS8 2023г
Сообщений: 9,922
Ky6uk Ky6uk Ky6uk Ky6uk Ky6uk Ky6uk Ky6uk Ky6uk Ky6uk Ky6uk Ky6uk
По умолчанию

Цитата:
Сообщение от Oloff Посмотреть сообщение
Кубик, а что за аппарат? Покажи.
Заказал на http://www.aliexpress.com
мультимедийный центр CompuCN CN-A157, камера заднего вида в комплекте .
Обошлась в 13000 руб.

__________________
АВТОСЕРВИС RENAULT и не только...
https://logan-garage-msk.ru/
ул. 3-е Почтовое отделение, д.98Ас2 / 2 этаж /
Заезд с ул.Маршала Полубоярова
----------------
+7 985 912 68 06 +7 929 536 26 00
Ky6uk вне форума   Вверх Ответить с цитированием
Старый 19.12.2012, 08:32   #17
Alchi
Член клуба
Член клуба
 
Аватар для Alchi
 
Имя: Андрей
Регистрация: 15.12.2012
Адрес: Санкт-Петербург
Авто: - Renault Duster - - чёрная жемчужина 1.5 dci - + chip ADACT
Сообщений: 454
Alchi Alchi
По умолчанию

Цитата:
Сообщение от Oloff Посмотреть сообщение
Народ, кто-нибудь знает что-нибудь про устранение кракозябров в телефонной книге, а то как-то всё затихло.
На том, старом форуме человек один пытался разобраться в прошивке, но действительно всё стихло...
Alchi вне форума   Вверх Ответить с цитированием
Старый 19.12.2012, 08:50   #18
Oloff
Новичок
 
Аватар для Oloff
 
Имя: Виктор
Регистрация: 19.12.2012
Адрес: Сургут
Сообщений: 44
Oloff
По умолчанию

Цитата:
Сообщение от Ky6uk Посмотреть сообщение
Заказал на http://www.aliexpress.com
мультимедийный центр CompuCN CN-A157, камера заднего вида в комплекте .
Обошлась в 13000 руб.
А с подрулевым управлением она стыкуется?
__________________


Последний раз редактировалось Ky6uk; 19.12.2012 в 09:03.
Oloff вне форума   Вверх Ответить с цитированием
Старый 19.12.2012, 09:03   #19
Ky6uk
Совет клуба
 
Аватар для Ky6uk
 
Имя: Игорь
Регистрация: 08.12.2012
Адрес: г.Москва
Авто: GAC GS8 2023г
Сообщений: 9,922
Ky6uk Ky6uk Ky6uk Ky6uk Ky6uk Ky6uk Ky6uk Ky6uk Ky6uk Ky6uk Ky6uk
По умолчанию

Да. Проблем нет
__________________
АВТОСЕРВИС RENAULT и не только...
https://logan-garage-msk.ru/
ул. 3-е Почтовое отделение, д.98Ас2 / 2 этаж /
Заезд с ул.Маршала Полубоярова
----------------
+7 985 912 68 06 +7 929 536 26 00
Ky6uk вне форума   Вверх Ответить с цитированием
4 пользователя(ей) сказали cпасибо:
Старый 19.12.2012, 10:02   #20
Oloff
Новичок
 
Аватар для Oloff
 
Имя: Виктор
Регистрация: 19.12.2012
Адрес: Сургут
Сообщений: 44
Oloff
По умолчанию

Цитата:
Сообщение от Ky6uk Посмотреть сообщение
Да. Проблем нет
Блин, ну как всегда На задавал вопросов, нет что бы поискать перед этим ответы Всё нашел на предыдущем форуме
__________________

Oloff вне форума   Вверх Ответить с цитированием
Пользователь сказал cпасибо:
Ответ

Метки
аудиосистема, магнитола, дастер.


Ваши права в разделе
Вы не можете создавать новые темы
Вы не можете отвечать в темах
Вы не можете прикреплять вложения
Вы не можете редактировать свои сообщения

BB коды Вкл.
Смайлы Вкл.
[IMG] код Вкл.
HTML код Выкл.

Быстрый переход


Текущее время: 23:51. Часовой пояс GMT +3.
Powered by vBulletin® Version 3.8.7
Copyright ©2000 - 2025, vBulletin Solutions, Inc. Перевод: zCarot
vB.Sponsors

Яндекс.Метрика