Вернуться на главную

Вернуться   Форум Клуба Рено Дастер / Renault Duster Club > Техническая информация Рено Дастер > Эксплуатация и ремонт > Ремонт и доработки своими силами

Важная информация


Ответ
 
Опции темы Поиск в этой теме Опции просмотра
Старый 30.09.2013, 02:03   #1
jk1950
Новичок
 
Имя: Юрий
Регистрация: 07.06.2013
Адрес: Балашиха, Моск. обл.
Авто: Privilege 4х4, 2.0л
Сообщений: 18
jk1950
По умолчанию

Привожу схему доработки для регулировки паузы дворников на реле 37.3777-03.
Реле подойдет и аналогичное с такими-же обозначениями контактов, оно подвязывается хомутом снизу к рулевой колонке внутри внутри кожухов. Я купил для реле подходящую шестиконтактную колодку с проводами.
Схема доработок и расположение контактов разъема в приложении.

Схема доработок и расположение контактов разъема.



Регулировка паузы с помощью реле 722.3777-01.
Регулировка паузы с помощью реле 723.3777-01 на Ларгусе.
Регулировка паузы переднего и заднего стеклоочистителей на одном реле.
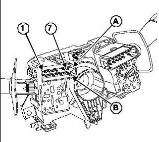
Наглядная распиновка подрулевого разъёма стеклоочистителя омывателя Дастера. Ряд "А".
Наглядная распиновка подрулевого разъёма стеклоочистителя омывателя Дастера. Ряд "В".
Миниатюры
Нажмите на изображение для увеличения
Название: Схема доработок.jpg
Просмотров: 40246
Размер:	48.3 Кб
ID:	16284   Нажмите на изображение для увеличения
Название: Монтаж.jpg
Просмотров: 30971
Размер:	26.6 Кб
ID:	16285  

Последний раз редактировалось dg972; 09.02.2015 в 18:01.
jk1950 вне форума   Вверх Ответить с цитированием
11 пользователя(ей) сказали cпасибо:
Это может быть интересно
Старый 30.09.2013, 02:03   #2
ambal70
Член клуба
Член клуба
 
Аватар для ambal70
 
Имя: Сергей
Регистрация: 19.12.2012
Адрес: г.Москва,м.Семеновская
Авто: Был,Дастер Authentique 4x4 1.6, теперь Дакар,дизель,109л/с.
Сообщений: 2,361
ambal70 ambal70 ambal70 ambal70 ambal70
По умолчанию Регулировка паузы стеклоочистителя

На соседнем форуме есть такая тема.Украинские парни продавали(компания АВТО-ШТУЧКИ вроде)по 500 р.Я взял и регулятор паузы и удлинитель поворота.Не то не другое на мой Authentique не подошли.В разъемах просто нет проводов куда подключать((
__________________
Был Дастер Authentique 4x4 1.6 МКП6. Проехал 100 000 км. Без нареканий.
Теперь Дакар, дизель,109 л/с.
ambal70 вне форума   Вверх Ответить с цитированием
Старый 06.10.2013, 23:19   #3
Серёга-73
Член клуба
Член клуба
 
Аватар для Серёга-73
 
Имя: Сергей
Регистрация: 09.09.2013
Адрес: Ульяновск
Авто: Luxe 2.0LPG МКПП4х4; ESP; КК; Biltema; ГБО Lovato Smart/Fast
Сообщений: 1,912
Серёга-73 Серёга-73 Серёга-73 Серёга-73 Серёга-73
По умолчанию

Ребята у Энергомаша есть прекрасные програмируемые реле стеклоочистителя: http://www.12v.ru/site.xp/050050050124.html у меня на 2107 стояло такое... красота... пауза взмахов в преривистом режиме регулировалась от секунды до 45сек. А также если побрызгать на стекло жидкостью через доли секунды шёл взмах щёток...! Я правда ещё не разбирался... но думаю её запросто можно будет подключить и на дастер... знать что за реле стеклочистителя стоит на дастере!?? Пока до этого не добрался... (((
Этот девайс от "энергомаш" продаётся в Москве в магазине напротив авторынка на Южнопортовой. цена у него 180-290руб в зависимости от авто... проблема в том что они заточены под конкретные авто, на дастер придётся резать на их стандартные разъёмы (т.к. они заточены под ВАЗ,ГАЗ,ШНивку...) и впаивать в проводку Дастера также как и в этом девайсе!
Влад, думаю что 2 бутылочки пива и 2е эл.схемы Дастер и Шевика,Калины,Соболя... (реле которых стоят 169руб) и за полчаса можно родить общую эл.схемку где сигнал на реле приходит: с концевика его моторедуктора для того чтобы реле знало что щётки сделали ход туда-сюда, +12-постоянного-после замка зажигания, +12 переключателя преривистого режима, масса, + на электронасос стеклоочистителя.
Вот и получиться регулятор длины паузы стеклоочистителя между взмахами от 1 до 45сек. менее чем за 200руб...!!!

Последний раз редактировалось Серёга-73; 07.10.2013 в 00:24.
Серёга-73 вне форума   Вверх Ответить с цитированием
3 пользователя(ей) сказали cпасибо:
Старый 06.10.2013, 23:38   #4
glebka
Местный
 
Регистрация: 19.12.2012
Адрес: SPb
Авто: был 1.6 4x4 МКП6 стал мицубиси ASX
Сообщений: 365
glebka
По умолчанию

Цитата:
Сообщение от Серёга-73 Посмотреть сообщение
но думаю её запросто можно будет подключить и на дастер... (((
не вы первый с этой идеей, не получится, там все в монолитном блоке...
glebka вне форума   Вверх Ответить с цитированием
Старый 07.10.2013, 00:30   #5
Серёга-73
Член клуба
Член клуба
 
Аватар для Серёга-73
 
Имя: Сергей
Регистрация: 09.09.2013
Адрес: Ульяновск
Авто: Luxe 2.0LPG МКПП4х4; ESP; КК; Biltema; ГБО Lovato Smart/Fast
Сообщений: 1,912
Серёга-73 Серёга-73 Серёга-73 Серёга-73 Серёга-73
По умолчанию

Цитата:
Сообщение от glebka Посмотреть сообщение
не вы первый с этой идеей, не получится, там все в монолитном блоке...
Где там... в монолитном блоке?
http://www.12v.ru/site.xp/050050050124052050055124.html
http://www.12v.ru/site.xp/050050050124052051054124.html


Последний раз редактировалось Серёга-73; 07.10.2013 в 00:35.
Серёга-73 вне форума   Вверх Ответить с цитированием
Старый 07.10.2013, 07:37   #6
БИг-64
Модератор раздела
Член клуба
 
Аватар для БИг-64
 
Имя: Игорь
Регистрация: 09.12.2012
Адрес: Нарния
Авто: Hyundai CRETA 4x4 и Hyundai CRETA 4x2
Сообщений: 5,419
БИг-64 БИг-64 БИг-64 БИг-64 БИг-64 БИг-64 БИг-64 БИг-64 БИг-64 БИг-64 БИг-64
По умолчанию

Так надо написать письмо от имени форума в этот калужский "Энергомаш" - мол, сделайте програмируемое реле стеклоочистителя на Дастеры/Сандеро/Логаны. Они просто не знают, что у этих машин нет такой функции.
__________________
"Мы - русские, с нами пох!"
БИг-64 вне форума   Вверх Ответить с цитированием
2 пользователя(ей) сказали cпасибо:
Старый 07.10.2013, 08:09   #7
Серёга-73
Член клуба
Член клуба
 
Аватар для Серёга-73
 
Имя: Сергей
Регистрация: 09.09.2013
Адрес: Ульяновск
Авто: Luxe 2.0LPG МКПП4х4; ESP; КК; Biltema; ГБО Lovato Smart/Fast
Сообщений: 1,912
Серёга-73 Серёга-73 Серёга-73 Серёга-73 Серёга-73
По умолчанию

Цитата:
Сообщение от БИг-64 Посмотреть сообщение
Так надо написать письмо от имени форума в этот калужский "Энергомаш" - мол, сделайте програмируемое реле стеклоочистителя на Дастеры/Сандеро/Логаны. Они просто не знают, что у этих машин нет такой функции.
Проблема в том что они делают законченую конструкцию... т.е. их регулятор паузы с помощью штатных разъёмов втыкается в разрыв штатной эл.проводки... тут сложнее... во первых надо достать штатные разъёмы Рено, и для начала пр-ва надо несколько десятков, а может сотня тысяч возможных потребителей сего продукта к той или иной их продукции... просто легче сделать навесным монтажом в штатную проводку, как к примеру Skipper-Влад устанавливал круиз-педаль бустер!
Серёга-73 вне форума   Вверх Ответить с цитированием
Старый 09.10.2013, 22:57   #8
dg972
Член клуба
Член клуба
 
Аватар для dg972
 
Имя: Дмитрий
Регистрация: 23.12.2012
Адрес: Москва
Авто: Privilege 4x4 2.0 МКП6. Чип АДАКТ. Коричневый орехх. 2012 гр.
Сообщений: 17,178
dg972 dg972 dg972 dg972 dg972 dg972 dg972 dg972 dg972 dg972 dg972
По умолчанию

Цитата:
Сообщение от jk1950 Посмотреть сообщение
Привожу схему доработки для регулировки паузы дворников.
Реле установлено на машину? Оно работает?

Цитата:
Сообщение от ambal70 Посмотреть сообщение
Я взял и регулятор паузы и удлинитель поворота.Не то не другое на мой Authentique не подошли.В разъемах просто нет проводов куда подключать
Это бред! Просто не поняли куда тыкать. Все можно подсоединить и все будет работать.

Цитата:
Сообщение от Серёга-73 Посмотреть сообщение
думаю что 2 бутылочки пива и 2е эл.схемы Дастер и Шевика,Калины,Соболя... (реле которых стоят 169руб) и за полчаса можно родить общую эл.схемку где сигнал на реле приходит
Без пива за сутки рождено)))

Цитата:
Сообщение от glebka Посмотреть сообщение
не получится, там все в монолитном блоке...
мы его обходим.
__________________
"во время войны нельзя говорить плохо о своих, НИКОГДА" ©

Кто понял жизнь тот больше не спешит,
смакует каждый миг и наблюдает.

Мой бортовой журнал. Новое сообщение.
....

Последний раз редактировалось dg972; 09.10.2013 в 23:03.
dg972 вне форума   Вверх Ответить с цитированием
3 пользователя(ей) сказали cпасибо:
Старый 10.10.2013, 04:41   #9
Серёга-73
Член клуба
Член клуба
 
Аватар для Серёга-73
 
Имя: Сергей
Регистрация: 09.09.2013
Адрес: Ульяновск
Авто: Luxe 2.0LPG МКПП4х4; ESP; КК; Biltema; ГБО Lovato Smart/Fast
Сообщений: 1,912
Серёга-73 Серёга-73 Серёга-73 Серёга-73 Серёга-73
По умолчанию

jk1950, реле какое брал? 39.3777-03 или 724.3777-01 от Энергомаша http://www.12v.ru/site.xp/050050050124052050055124.html
Цитата:
Сообщение от dg972 Посмотреть сообщение
Без пива за сутки рождено)))
с пивом вышло быстрее! )))

Последний раз редактировалось Серёга-73; 10.10.2013 в 04:52.
Серёга-73 вне форума   Вверх Ответить с цитированием
Пользователь сказал cпасибо:
Старый 10.10.2013, 14:38   #10
jk1950
Новичок
 
Имя: Юрий
Регистрация: 07.06.2013
Адрес: Балашиха, Моск. обл.
Авто: Privilege 4х4, 2.0л
Сообщений: 18
jk1950
По умолчанию

Цитата:
Сообщение от dg972 Посмотреть сообщение
Реле установлено на машину? Оно работает?
Да, установлено и работает, иначе не писал бы.


Цитата:
Сообщение от Серёга-73 Посмотреть сообщение
jk1950, реле какое брал? 39.3777-03 или 724.3777-01 от Энергомаша http://www.12v.ru/site.xp/050050050124052050055124.html
Реле поставил 39.3777-03 (какое нашел). 724.3777-01 тоже годится, видимо даже лучше - будет задержка воды на 0.5 с. Подойдет любое с таким набором контактов.
Реле воткнуто в подходящую 6-и контактную колодку, провода от нее припаяны к контактам штатного разъема Duster-а. Для припайки снимается черная крышечка спереди разъема, приподнимантся фиксатор контакта и вынимается контакт в сторону проводов.

---------- Сообщение добавлено в 14:38 ---------- Предыдущее сообщение размещено в 14:14 ----------

Я, ввобще, не понимаю, почему такую схему не реализовали французы?
Ей чена "три копейки". До этого 11 лет отъездил на ВАЗ 2111 с таким реле, очень удобно. Покатавшись на Duster-е в дождь, понял, что мне не хватает цензурных слов.
jk1950 вне форума   Вверх Ответить с цитированием
3 пользователя(ей) сказали cпасибо:
Старый 10.10.2013, 15:50   #11
dg972
Член клуба
Член клуба
 
Аватар для dg972
 
Имя: Дмитрий
Регистрация: 23.12.2012
Адрес: Москва
Авто: Privilege 4x4 2.0 МКП6. Чип АДАКТ. Коричневый орехх. 2012 гр.
Сообщений: 17,178
dg972 dg972 dg972 dg972 dg972 dg972 dg972 dg972 dg972 dg972 dg972
По умолчанию

Цитата:
Сообщение от jk1950 Посмотреть сообщение
Ей цена "три копейки".
Здесь три копейки, там три копейки сэкономили, вот и получился Дастер!
Цитата:
Сообщение от jk1950 Посмотреть сообщение
724.3777-01 тоже годится, видимо даже лучше - будет задержка воды на 0.5 с
Как это? Можно для бестолковых! (Я, про задержку воды)
__________________
"во время войны нельзя говорить плохо о своих, НИКОГДА" ©

Кто понял жизнь тот больше не спешит,
смакует каждый миг и наблюдает.

Мой бортовой журнал. Новое сообщение.
....
dg972 вне форума   Вверх Ответить с цитированием
Старый 10.10.2013, 16:51   #12
Серёга-73
Член клуба
Член клуба
 
Аватар для Серёга-73
 
Имя: Сергей
Регистрация: 09.09.2013
Адрес: Ульяновск
Авто: Luxe 2.0LPG МКПП4х4; ESP; КК; Biltema; ГБО Lovato Smart/Fast
Сообщений: 1,912
Серёга-73 Серёга-73 Серёга-73 Серёга-73 Серёга-73
По умолчанию

Цитата:
Сообщение от dg972 Посмотреть сообщение
Как это? Можно для бестолковых! (Я, про задержку воды)
У меня стояло реле от энергомаша которая начиналась на 724.3777-01 так вот когда вы нажимали на брызгалку то сначало брызгается вода на стекло, а через 0,5-1сек стеклочистители совершали три непрерывных хода (туда-сюда). Реле брал в магазине на южнопортовой в Москве, метров 100 от метро, окна автомагазина находятся на первом этаже дома окна магазина выходят на южнопортовый авторынок! Цена девайса незначительно отличается от сайтовой "Энергомаша" так как магазин является их оф.дилером!
Серёга-73 вне форума   Вверх Ответить с цитированием
Пользователь сказал cпасибо:
Старый 10.10.2013, 16:59   #13
ХОЧУ
Член клуба
Член клуба
 
Аватар для ХОЧУ
 
Имя: Владимир.
Регистрация: 25.12.2012
Адрес: Москва
Авто: Privilege 2л 4х4 чёрн ж, ручной.
Сообщений: 1,294
ХОЧУ ХОЧУ ХОЧУ ХОЧУ ХОЧУ ХОЧУ
По умолчанию

Цитата:
Сообщение от jk1950 Посмотреть сообщение
724.3777-01 тоже годится, видимо даже лучше - будет задержка воды на 0.5 с.
Цитата:
Сообщение от Серёга-73 Посмотреть сообщение
сначала брызгается вода на стекло, а через 0,5-1сек стеклочистители совершали три непрерывных хода (туда-сюда).
Значит, всё-таки задержка дворников (стеклоочистителей)...
__________________
Не бойся, когда ты один. Бойся, когда ты ноль...
ХОЧУ вне форума   Вверх Ответить с цитированием
Пользователь сказал cпасибо:
Старый 10.10.2013, 19:04   #14
jk1950
Новичок
 
Имя: Юрий
Регистрация: 07.06.2013
Адрес: Балашиха, Моск. обл.
Авто: Privilege 4х4, 2.0л
Сообщений: 18
jk1950
По умолчанию

Цитата:
Сообщение от ХОЧУ Посмотреть сообщение
Значит, всё-таки задержка дворников (стеклоочистителей)...
Конечно, я не так выразился.
jk1950 вне форума   Вверх Ответить с цитированием
Старый 10.10.2013, 20:13   #15
burdin
Новичок
 
Аватар для burdin
 
Имя: Сергей
Регистрация: 19.12.2012
Адрес: г.Боровичи Новгородская обл.
Сообщений: 6
burdin
По умолчанию

Цитата:
Сообщение от ambal70 Посмотреть сообщение
На соседнем форуме есть такая тема.Украинские парни продавали(компания АВТО-ШТУЧКИ вроде)по 500 р.Я взял и регулятор паузы и удлинитель поворота.Не то не другое на мой Authentique не подошли.В разъемах просто нет проводов куда подключать((
Плохо инструкцию читал.
burdin вне форума   Вверх Ответить с цитированием
Старый 10.10.2013, 20:52   #16
Safpal
Член клуба
Член клуба
 
Имя: Павел
Регистрация: 05.05.2013
Адрес: Ленинград
Авто: Каптюр Extreme 2.0. 4х4
Сообщений: 193
Safpal
По умолчанию

Я , в свое время, реализовал эту идею на Логане.
Safpal вне форума   Вверх Ответить с цитированием
3 пользователя(ей) сказали cпасибо:
Старый 28.10.2013, 15:36   #17
dg972
Член клуба
Член клуба
 
Аватар для dg972
 
Имя: Дмитрий
Регистрация: 23.12.2012
Адрес: Москва
Авто: Privilege 4x4 2.0 МКП6. Чип АДАКТ. Коричневый орехх. 2012 гр.
Сообщений: 17,178
dg972 dg972 dg972 dg972 dg972 dg972 dg972 dg972 dg972 dg972 dg972
По умолчанию

Реле-регулятор паузы стеклоочистителя 722.3777-01

Мануал:




Схема переднего ст. оч.:


ps Думаю, jk1950 простит меня за пользование его схемкой.

Подробнее тут.
__________________
"во время войны нельзя говорить плохо о своих, НИКОГДА" ©

Кто понял жизнь тот больше не спешит,
смакует каждый миг и наблюдает.

Мой бортовой журнал. Новое сообщение.
....

Последний раз редактировалось dg972; 03.11.2013 в 20:10.
dg972 вне форума   Вверх Ответить с цитированием
3 пользователя(ей) сказали cпасибо:
Старый 02.11.2013, 18:09   #18
jk1950
Новичок
 
Имя: Юрий
Регистрация: 07.06.2013
Адрес: Балашиха, Моск. обл.
Авто: Privilege 4х4, 2.0л
Сообщений: 18
jk1950
По умолчанию

Не забудте соединить свободный провод (п. 1.3 мануала) с двумя розовыми проводами (контакт А4 переключателя)
jk1950 вне форума   Вверх Ответить с цитированием
Пользователь сказал cпасибо:
Старый 02.11.2013, 20:43   #19
jk1950
Новичок
 
Имя: Юрий
Регистрация: 07.06.2013
Адрес: Балашиха, Моск. обл.
Авто: Privilege 4х4, 2.0л
Сообщений: 18
jk1950
По умолчанию

ИМХО без него не будут включаться дворники при омывайке.
jk1950 вне форума   Вверх Ответить с цитированием
Старый 02.11.2013, 20:52   #20
lime
Член клуба
Член клуба
 
Аватар для lime
 
Имя: Александр
Регистрация: 20.12.2012
Адрес: Питер
Авто: Renault Duster Privilege 2.0 АКП 4x2 + чип svv
Сообщений: 88
lime
По умолчанию

dg972, а можно небольшое пояснение, если подключать реле 722.3777-01 не к передним дворникам, а к заднему.
Разъем там ведь один, отвечающий за дворники. А в чем различие по подключению будет?
lime вне форума   Вверх Ответить с цитированием
Пользователь сказал cпасибо:
Ответ

Метки
регулировка паузы, реле регулятор паузы, реле дворников


Ваши права в разделе
Вы не можете создавать новые темы
Вы не можете отвечать в темах
Вы не можете прикреплять вложения
Вы не можете редактировать свои сообщения

BB коды Вкл.
Смайлы Вкл.
[IMG] код Вкл.
HTML код Выкл.

Быстрый переход


Текущее время: 08:15. Часовой пояс GMT +3.
Powered by vBulletin® Version 3.8.7
Copyright ©2000 - 2025, vBulletin Solutions, Inc. Перевод: zCarot
vB.Sponsors

Яндекс.Метрика